Operation CHARM: Car repair manuals for everyone.
Manuals through 2025 now available!

Our trusted friends have launched a new website named LEMON, which has newer manuals. It also contains all the CHARM manuals.

LEMON is the spiritual successor to CHARM, I recommend you try it!

Link: lemon-manuals.la or lemon-manuals.org.ua

(Some people have issue connecting. LEMON is investigating. For now, use Firefox or change your DNS server)

Or, hide this message: temporarily or permanently

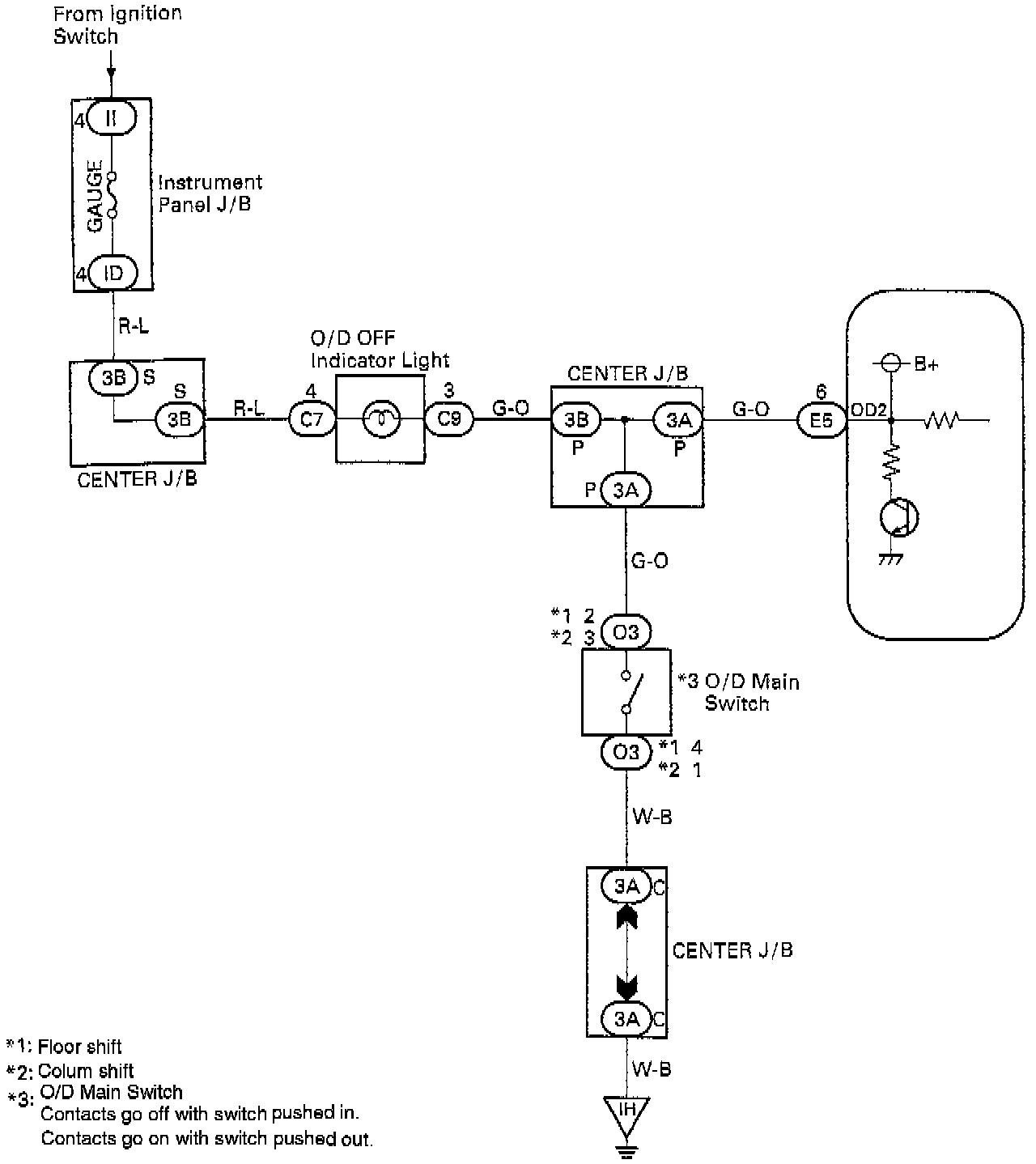
O/D Main Switch & O/D Off Indicator Light Circuit

O/D MAIN SWITCH & O/D OFF INDICATOR LIGHT CIRCUIT

CIRCUIT DESCRIPTION
The O/D main switch contacts go off when the switch is pushed in and come on when it is pushed out. In O/D main switch OFF position, the 0/D OFF indicator lights up, and the ECM prohibits shifting to overdrive. The ECM also causes the 0/D OFF indicator light to blink when a malfunction is detected. In this case, connecting the OBD-II scan tool or Toyota hand-held tester to the DLC3 can display the DTC.

WIRING DIAGRAM

O/D Main Switch And O/D OFF Indicator Circuit*1 Floor shift*2 Column shift*3 O/D Main Switch: In=OFF / Out=ON:






INSPECTION PROCEDURE

O/D Off Indicator light does not light up.

















O/D Off Indicator light remains ON.