Pattern Select Switch Circuit
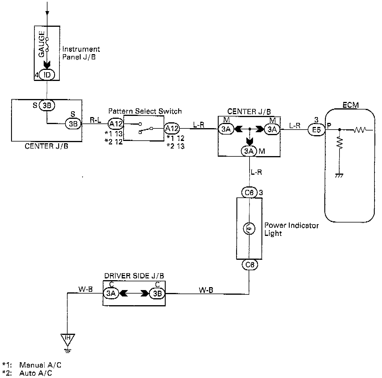
PATTERN SELECT SWITCH CIRCUIT
CIRCUIT DESCRIPTION
The ECM memory contains the shift programs for the NORMAL and POWER patterns, 2 position, and L position and the lock-up patterns. Following the programs corresponding to the signals from the pattern select switch, the park/neutral position switch and other various sensors, the ECM switches the solenoid valves ON and OFF thereby controlling the transaxle gear change and the lock-up clutch operation.
WIRING DIAGRAM
Pattern Select Switch Circuit:
INSPECTION PROCEDURE