Operation CHARM: Car repair manuals for everyone.
Manuals through 2025 now available!

Our trusted friends have launched a new website named LEMON, which has newer manuals. It also contains all the CHARM manuals.

LEMON is the spiritual successor to CHARM, I recommend you try it!

Link: lemon-manuals.la or lemon-manuals.org.ua

(Some people have issue connecting. LEMON is investigating. For now, use Firefox or change your DNS server)

Or, hide this message: temporarily or permanently

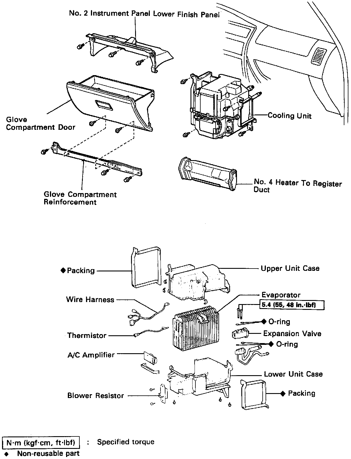
Control Module HVAC: Service and Repair

Cooling Unit Components:






REMOVAL
1. REMOVE GLOVE COMPARTMENT PARTS







2. REMOVE AMPLIFIER
a. Disconnect the connector from the amplifier.
b. Remove amplifier cover.
c. Remove the amplifier from the cooling unit.

INSTALLATION
Installation is in the reverse order of removal.