Knock Sensor: Testing and Inspection
1. DRAIN ENGINE COOLANT
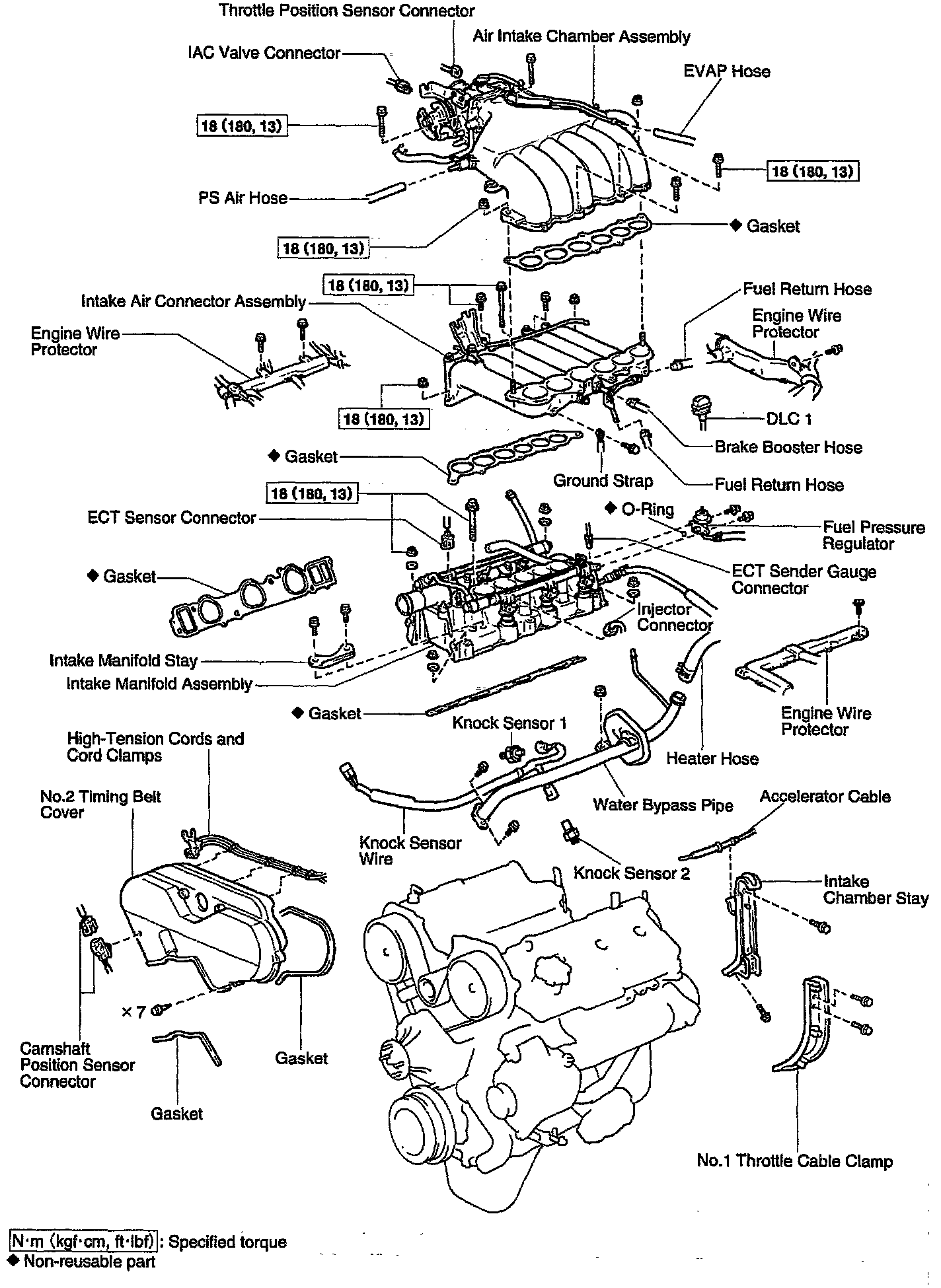
2. REMOVE AIR CLEANER HOSE
3. REMOVE NO.2 TIMING BELT COVER
4. REMOVE INTAKE AIR CONNECTOR
5. REMOVE FUEL PRESSURE REGULATOR
(See fuel pressure regulator)
6. REMOVE INTAKE MANIFOLD ASSEMBLY
7. REMOVE WATER BYPASS PIPE AND KNOCK SENSOR WIRE
8. REMOVE KNOCK SENSORS
- Using SST, remove the knock sensor. SST 09817-16011
9. INSPECT KNOCK SENSORS
- Using an ohmmeter, check that there is no continuity between the terminal and body.
- If there is continuity, replace the sensor.
10. REINSTALL KNOCK SENSORS
- Using SST, install the knock sensor. SST 09817-16011
Torque: 39 N.m (400 kgf.cm, 29 ft.lbf)
11. REINSTALL WATER BYPASS PIPE AND KNOCK SENSOR WIRE
12. REINSTALL INTAKE MANIFOLD ASSEMBLY
13. REINSTALL FUEL PRESSURE REGULATOR
(See fuel pressure regulator)
14. REINSTALL INTAKE AIR CONNECTOR
15. REINSTALL NO.2 TIMING BELT COVER
16. REINSTALL AIR CLEANER HOSE
17. REFILL WITH ENGINE COOLANT
18. RECHECK ENGINE COOLANT LEVEL