Operation CHARM: Car repair manuals for everyone.
Manuals through 2025 now available!

Our trusted friends have launched a new website named LEMON, which has newer manuals. It also contains all the CHARM manuals.

LEMON is the spiritual successor to CHARM, I recommend you try it!

Link: lemon-manuals.la or lemon-manuals.org.ua

(Some people have issue connecting. LEMON is investigating. For now, use Firefox or change your DNS server)

Or, hide this message: temporarily or permanently

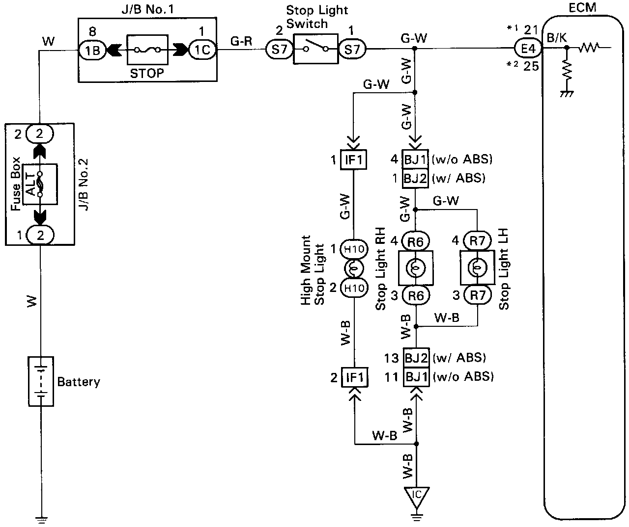
Stop Light Switch Circuit

CIRCUIT DESCRIPTION
The purpose of this circuit is to prevent the engine from stalling, while driving in lock-up condition, when brakes are suddenly applied.
When the brake pedal is operated, this switch sends a signal to the ECM. Then the ECM cancels operation of the lock-up clutch while braking is in progress.





WIRING DIAGRAM
*1: 3RZ-FE
*2: 5VZ-FE












INSPECTION PROCEDURE