Operation CHARM: Car repair manuals for everyone.
Manuals through 2025 now available!

Our trusted friends have launched a new website named LEMON, which has newer manuals. It also contains all the CHARM manuals.

LEMON is the spiritual successor to CHARM, I recommend you try it!

Link: lemon-manuals.la or lemon-manuals.org.ua

(Some people have issue connecting. LEMON is investigating. For now, use Firefox or change your DNS server)

Or, hide this message: temporarily or permanently

Illumination Circuit


Illumination Circuit

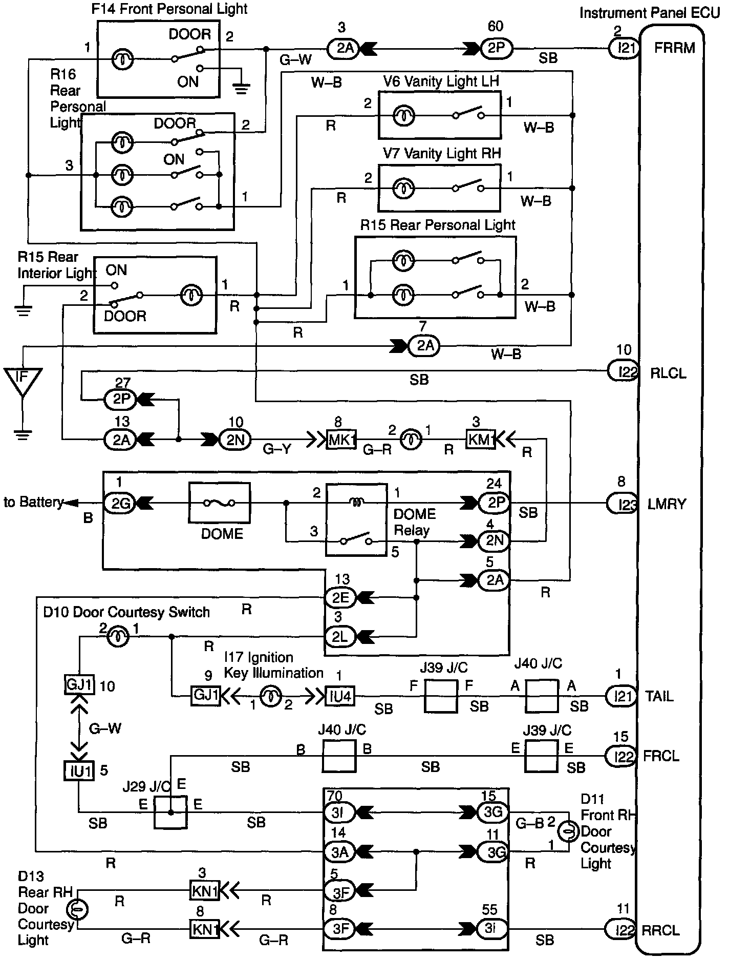
CIRCUIT DESCRIPTION

Receiving the courtesy signal from the Body ECU will make the interior light, ignition light, and courtesy light come on.





WIRING DIAGRAM

Step 1:




Step 2:




Step 3:





INSPECTION PROCEDURE