Operation CHARM: Car repair manuals for everyone.
Manuals through 2025 now available!

Our trusted friends have launched a new website named LEMON, which has newer manuals. It also contains all the CHARM manuals.

LEMON is the spiritual successor to CHARM, I recommend you try it!

Link: lemon-manuals.la or lemon-manuals.org.ua

(Some people have issue connecting. LEMON is investigating. For now, use Firefox or change your DNS server)

Or, hide this message: temporarily or permanently

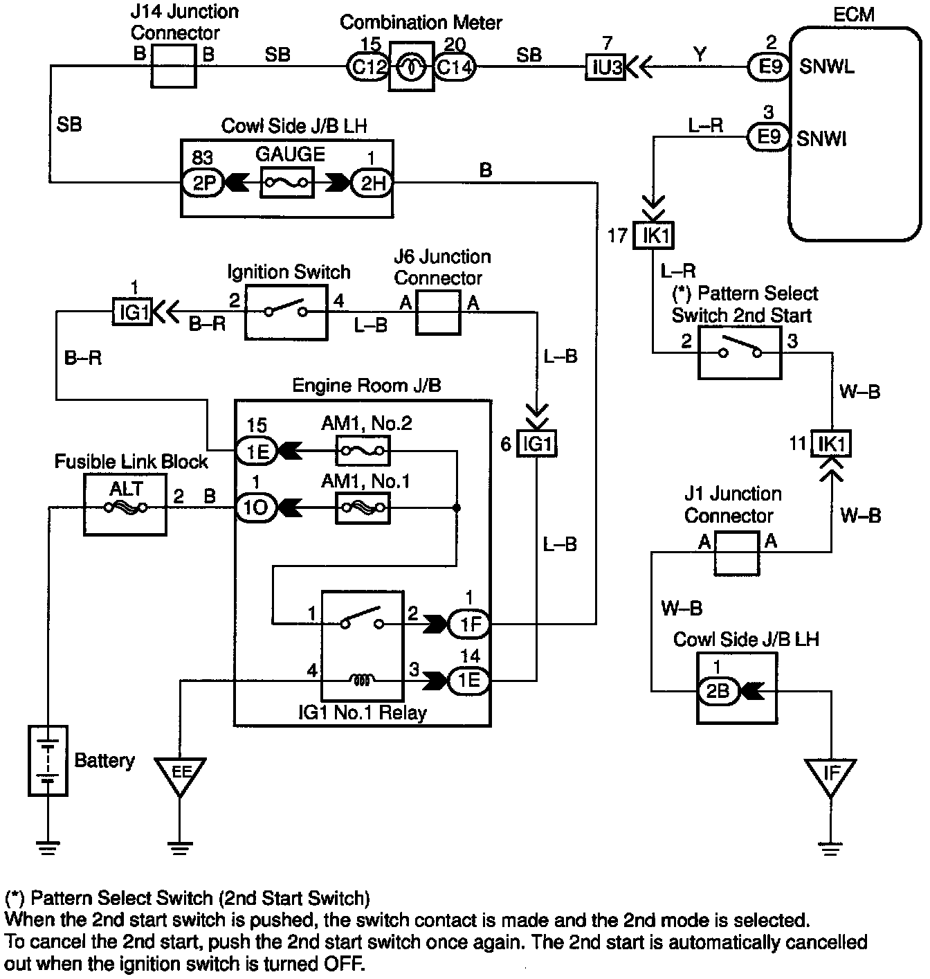
Pattern Select Switch & 2ND Start Switch Indicator Circuit


Pattern Select Switch Circuit (2nd Start Switch) & 2nd Start Switch Indicator Light Circuit

CIRCUIT DESCRIPTION

When 2nd start mode is selected with the pattern select switch, the ECM controls the solenoid valves and the transmission starts from 2nd gear.
In D position, the transmission automatically shifts up through 3rd to O/D as usual.
In 2nd position, the transmission is held in 2nd gear.





WIRING DIAGRAM

Step 1:




Step 2:




Step 3:




Step 4:





INSPECTION PROCEDURE