Operation CHARM: Car repair manuals for everyone.
Manuals through 2025 now available!

Our trusted friends have launched a new website named LEMON, which has newer manuals. It also contains all the CHARM manuals.

LEMON is the spiritual successor to CHARM, I recommend you try it!

Link: lemon-manuals.la or lemon-manuals.org.ua

(Some people have issue connecting. LEMON is investigating. For now, use Firefox or change your DNS server)

Or, hide this message: temporarily or permanently

General Torque Specifications

TORQUE CHART








TORQUE SEQUENCES


RH CYLINDER HEAD
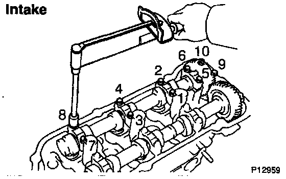
Intake Camshaft Bearing Cap Removal Sequence





Exhaust Camshaft Bearing Cap Removal Sequence





LH CYLINDER HEAD
Intake Camshaft Bearing Cap Removal Sequence





Exhaust Camshaft Bearing Cap Removal Sequence





RH CYLINDER HEAD
Exhaust Camshaft Bearing Cap Tightening Sequence





Intake Camshaft Bearing Cap Tightening Sequence

Intake:






LH CYLINDER HEAD
Exhaust Camshaft Bearing Cap Tightening Sequence





Intake Camshaft Bearing Cap Tightening Sequence





Caution: Proper removal and installation procedures are essential to camshaft durability and to avoid damage. Refer to Camshaft, Engine; Service and Repair for detailed camshaft removal and installation procedures.


Cylinder Head Bolt Removal Sequence








Cylinder Head Bolt Tightening Sequence








Intake Manifold Bolt Tightening Sequence





Main Bearing Cap Bolts Removal Sequence








Main Bearing Cap Bolts Tightening Sequence

Installation:









Water Inlet Housing Bolt Tightening Sequence





Drive Plate Bolt Tightening Sequence

Sequence:






See also: Refer to Diagrams/Exploded Views at component level.