Manuals through 2025 now available!
Our trusted friends have launched a new website named LEMON, which has newer manuals. It also contains all the CHARM manuals.
LEMON is the spiritual successor to CHARM, I recommend you try it!
Link:
lemon-manuals.la or
lemon-manuals.org.ua
(Some people have issue connecting. LEMON is investigating. For now, use Firefox or change your DNS server)
Or, hide this message:
temporarily or
permanently
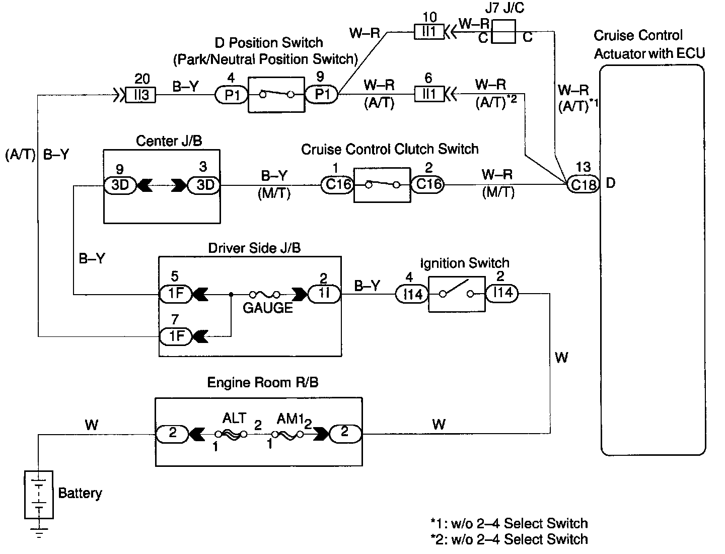
Park/Neutral Position Switch Circuit
CIRCUIT DESCRIPTIONWhen the shift position is put in except D position, a signal is sent from the park/neutral position switch to the ECU. When this signal is input during
cruise control driving, the ECU cancels the cruise control.
WIRING DIAGRAMStep 1:
Step 2:
Step 3:
Step 4:
INSPECTION PROCEDURE