Operation CHARM: Car repair manuals for everyone.
Manuals through 2025 now available!

Our trusted friends have launched a new website named LEMON, which has newer manuals. It also contains all the CHARM manuals.

LEMON is the spiritual successor to CHARM, I recommend you try it!

Link: lemon-manuals.la or lemon-manuals.org.ua

(Some people have issue connecting. LEMON is investigating. For now, use Firefox or change your DNS server)

Or, hide this message: temporarily or permanently

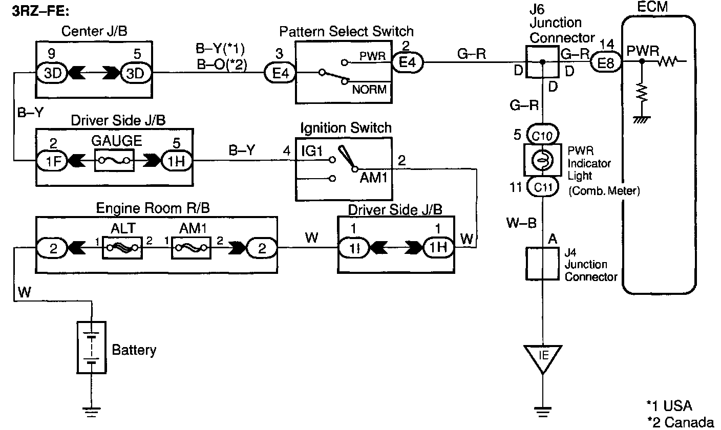
Pattern Select Switch & 2ND Start Switch Indicator Circuit

CIRCUIT DESCRIPTION
The ECM memory contains the shift programs for the NORMAL and POWER patterns, 2 position, L position and the lock-up patterns. Following the programs corresponding to the signals from the pattern select switch, the park/neutral position and other various sensors, the ECM switches the solenoid valves ON and OFF, and controls the transmission gear change and the lock-up clutch operation.




WIRING DIAGRAM

Step 1:




Step 2:




Step 3:




INSPECTION PROCEDURE