Operation CHARM: Car repair manuals for everyone.
Manuals through 2025 now available!

Our trusted friends have launched a new website named LEMON, which has newer manuals. It also contains all the CHARM manuals.

LEMON is the spiritual successor to CHARM, I recommend you try it!

Link: lemon-manuals.la or lemon-manuals.org.ua

(Some people have issue connecting. LEMON is investigating. For now, use Firefox or change your DNS server)

Or, hide this message: temporarily or permanently

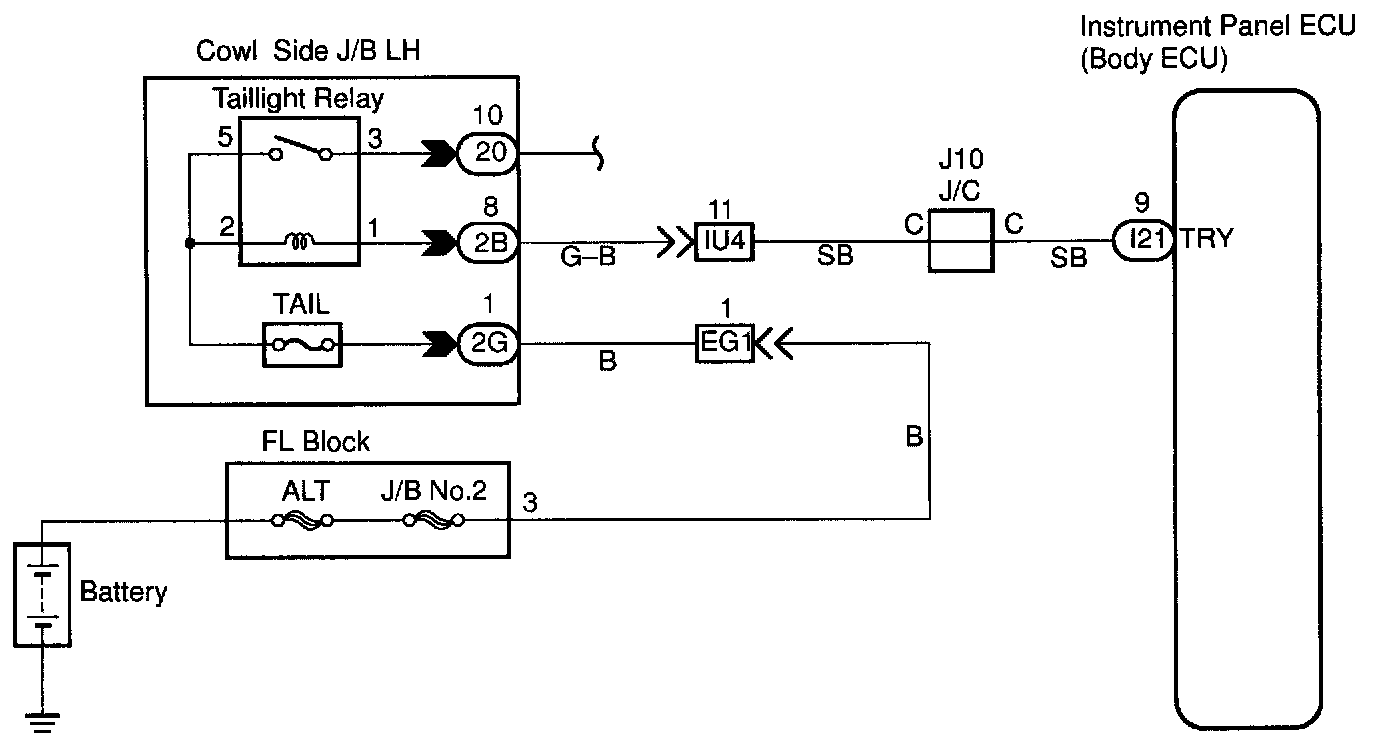
Taillight Relay Circuit

CIRCUIT DESCRIPTION
Taillight relay will be "ON" by operating the taillight switch. The transistor which activates the tail light relay has two sorts: one activates by the tail light switch for fail safe and the other activates by CPU.




WIRING DIAGRAM

Step 1:




Step 2:




INSPECTION PROCEDURE