Operation CHARM: Car repair manuals for everyone.
Manuals through 2025 now available!

Our trusted friends have launched a new website named LEMON, which has newer manuals. It also contains all the CHARM manuals.

LEMON is the spiritual successor to CHARM, I recommend you try it!

Link: lemon-manuals.la or lemon-manuals.org.ua

(Some people have issue connecting. LEMON is investigating. For now, use Firefox or change your DNS server)

Or, hide this message: temporarily or permanently

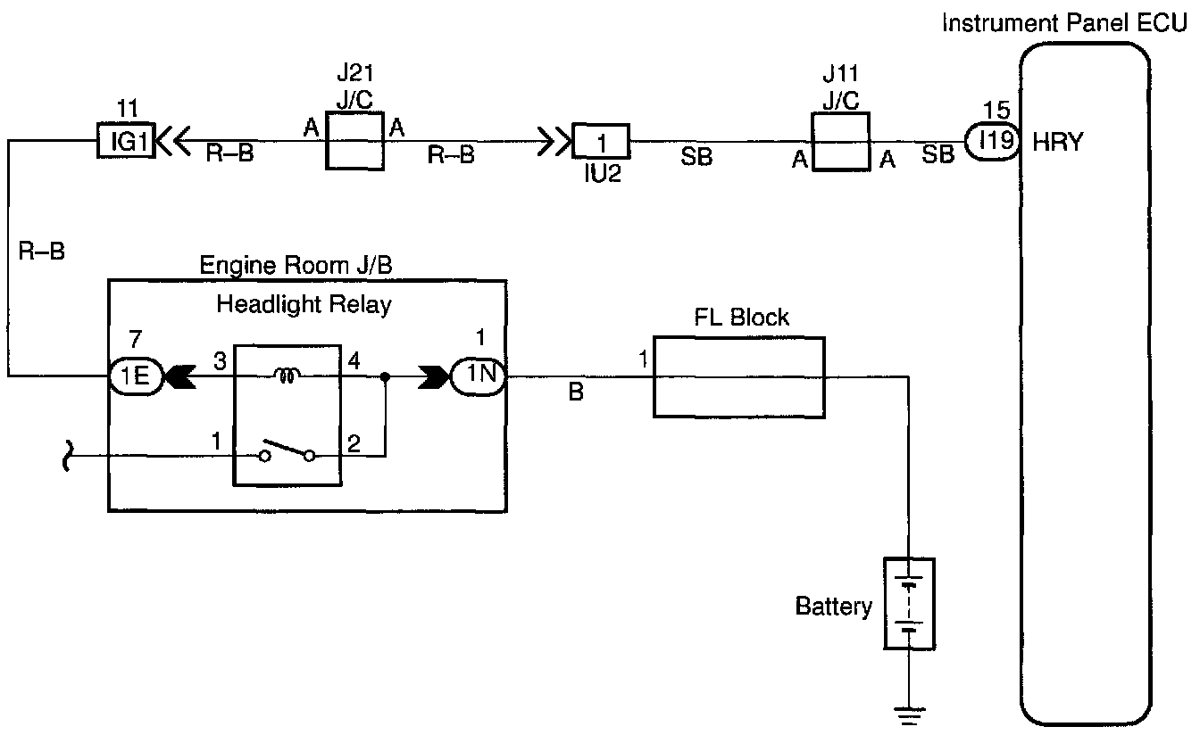
Headlight Relay Circuit

CIRCUIT DESCRIPTION
Head light relay will be "ON" by operating the headlight switch. The transistor which activates the taillight relay has two sorts one activates directly by the headlight switch for fail safe and the other activates by CPU. the one that activates by CPU has two systems and prevents the headlight from turning off at the time of one system trouble in the automatic operation circuit.




WIRING DIAGRAM

Step 1:




Step 2:




INSPECTION PROCEDURE