Operation CHARM: Car repair manuals for everyone.
Manuals through 2025 now available!

Our trusted friends have launched a new website named LEMON, which has newer manuals. It also contains all the CHARM manuals.

LEMON is the spiritual successor to CHARM, I recommend you try it!

Link: lemon-manuals.la or lemon-manuals.org.ua

(Some people have issue connecting. LEMON is investigating. For now, use Firefox or change your DNS server)

Or, hide this message: temporarily or permanently

Knock Sensor: Testing and Inspection







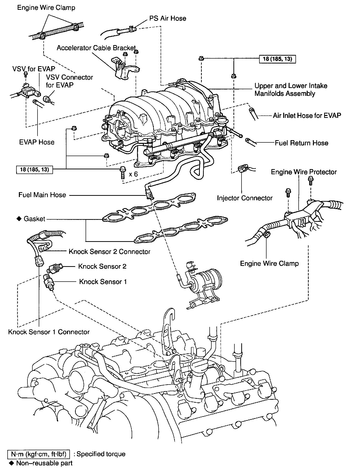
COMPONENTS

INSPECTION
1. REMOVE V-BANK COVER
2. REMOVE INTAKE AIR CONNECTOR
3. DISCONNECT THROTTLE BODY FROM INTAKE MANIFOLDS
4. REMOVE UPPER AND LOWER INTAKE MANIFOLDS ASSEMBLY

5. INSPECT KNOCK SENSOR 1, 2

a. Disconnect the knock sensor connectors.





b. Using an ohmmeter, check that there is no continuity between the terminal and body.





If there is continuity, replace the sensor with SST.
SST 09816-30010

Torque: 45 N.m (450 kgf.cm, 33 ft.lbf)

c. Reconnect the knock sensor connectors.

6. REINSTALL UPPER AND LOWER INTAKE MANIFOLDS ASSEMBLY
7. REINSTALL THROTTLE BODY TO INTAKE MANIFOLDS
8. REINSTALL INTAKE AIR CONNECTOR
9. REINSTALL V-BANK COVER