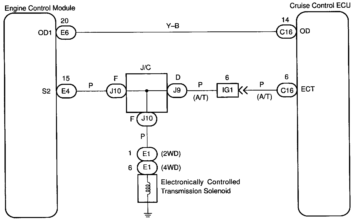
Electronically Controlled Transmission Communication Circuit
CIRCUIT DESCRIPTIONWhen driving uphill under cruise control, in order to reduce shifting due to ON-OFF overdrive operation and to provide smooth driving, when down shifting in the electronically controlled transmission occurs, a signal to prevent upshift until the end of the up hill slope is sent from the cruise control ECU to the electronically controlled transmission.
Terminal ECT of the cruise control ECU detects the shift change signal (output to electronically controlled transmission No. 2 solenoid) from the ECM.
If vehicle speed down, also when terminal ECT of the cruise control ECU receives down shifting signal, it sends a signal from terminal OD to ECM to cut overdrive until the end of the uphill slope, and the gear shifts are reduced and gear shift points in the electronically controlled transmission are changed.
WIRING DIAGRAM
Step 1:
Step 2:
Step 3:
Step 4:
Step 5:
INSPECTION PROCEDURE