Operation CHARM: Car repair manuals for everyone.
Manuals through 2025 now available!

Our trusted friends have launched a new website named LEMON, which has newer manuals. It also contains all the CHARM manuals.

LEMON is the spiritual successor to CHARM, I recommend you try it!

Link: lemon-manuals.la or lemon-manuals.org.ua

(Some people have issue connecting. LEMON is investigating. For now, use Firefox or change your DNS server)

Or, hide this message: temporarily or permanently

Timing Chain

TIMING CHAIN REPLACEMENT W/ RELATED COMPONENTS

Various Engine Related Components (FRT. Differential Incl.):





Part 1 of 4

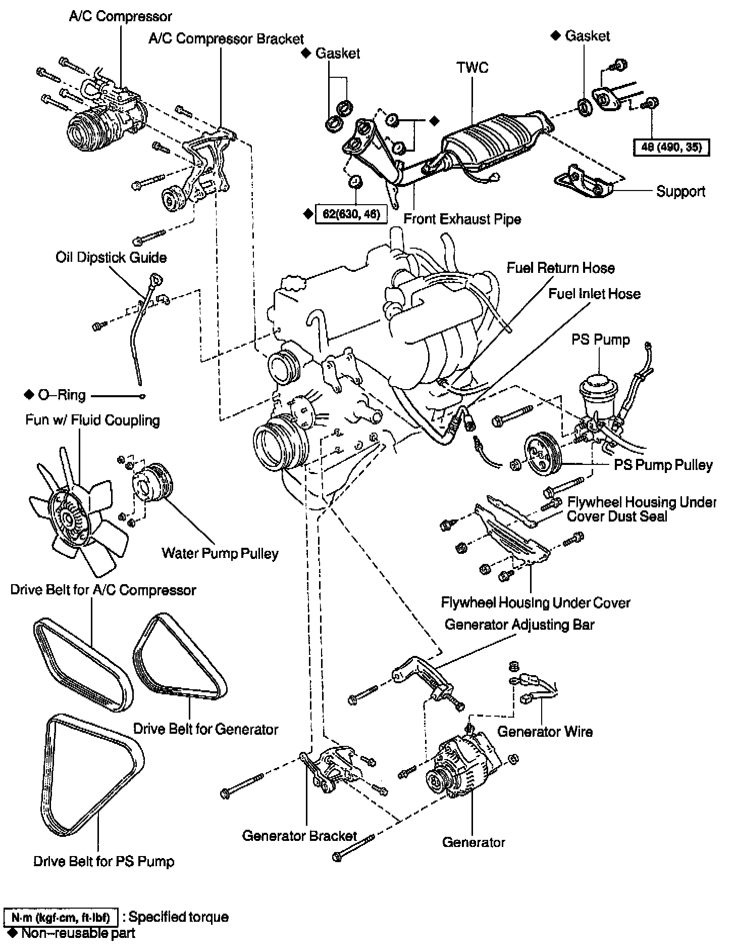
Engine Drive Accessories And Related Components, FRT Exhaust Pipe:





Part 2 of 4

Timing Chain Cover, Exh. Manifold, Int. Plenum, Cylinder Head:





Part 3 of 4

Timing Chain And Related Components:





Part 4 of 4