Operation CHARM: Car repair manuals for everyone.
Manuals through 2025 now available!

Our trusted friends have launched a new website named LEMON, which has newer manuals. It also contains all the CHARM manuals.

LEMON is the spiritual successor to CHARM, I recommend you try it!

Link: lemon-manuals.la or lemon-manuals.org.ua

(Some people have issue connecting. LEMON is investigating. For now, use Firefox or change your DNS server)

Or, hide this message: temporarily or permanently

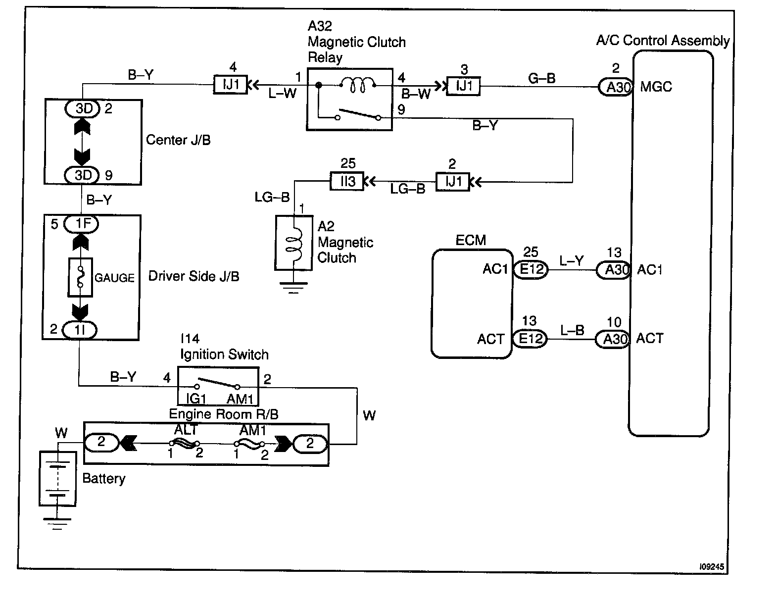
Compressor Circuit

CIRCUIT DESCRIPTION
The A/C control assembly outputs the magnetic clutch ON signal from terminal AC1 to the ECM. When the ECM receives this signal, it sends a signal from terminal ACT and switches the A/C magnetic clutch relay ON, thus turning on the A/C magnetic clutch.

Wiring Diagram:






Steps 1 - 2:




Steps 3 - 4:




Steps 5 - 6:




Steps 7 - 9:




INSPECTION PROCEDURE