Operation CHARM: Car repair manuals for everyone.
Manuals through 2025 now available!

Our trusted friends have launched a new website named LEMON, which has newer manuals. It also contains all the CHARM manuals.

LEMON is the spiritual successor to CHARM, I recommend you try it!

Link: lemon-manuals.la or lemon-manuals.org.ua

(Some people have issue connecting. LEMON is investigating. For now, use Firefox or change your DNS server)

Or, hide this message: temporarily or permanently

Knock Sensor: Testing and Inspection

KNOCK SENSOR







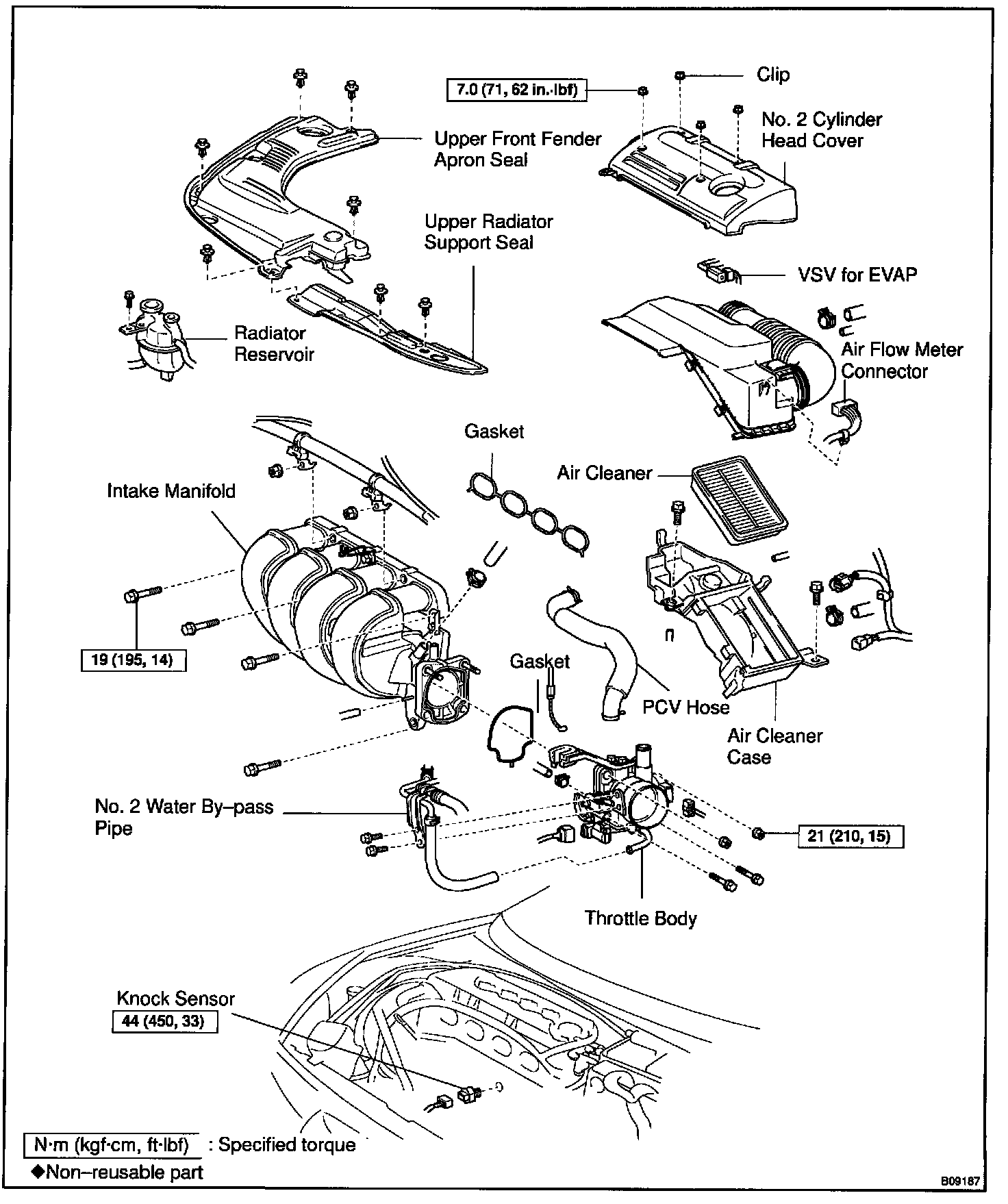
COMPONENTS

INSPECTION
1. REMOVE THROTTLE BODY
2. REMOVE RADIATOR RESERVOIR
3. REMOVE INTAKE MANIFOLD




4. REMOVE KNOCK SENSOR
a. Disconnect the knock sensor connector.
b. Using SST, remove the knock sensor.
SST 09816-30010




5. INSPECT KNOCK SENSOR
Using an ohmmeter, check that there is continuity between the terminal and body.
If there is continuity, replace the sensor.

6. REINSTALL KNOCK SENSOR
a. Using SST, install the knock sensor.
SST 09816-30010
b. Connect the knock sensor connector.

7. REINSTALL INTAKE MANIFOLD
8. REINSTALL RADIATOR RESERVOIR
9. REINSTALL THROTTLE BODY