Operation CHARM: Car repair manuals for everyone.
Manuals through 2025 now available!

Our trusted friends have launched a new website named LEMON, which has newer manuals. It also contains all the CHARM manuals.

LEMON is the spiritual successor to CHARM, I recommend you try it!

Link: lemon-manuals.la or lemon-manuals.org.ua

(Some people have issue connecting. LEMON is investigating. For now, use Firefox or change your DNS server)

Or, hide this message: temporarily or permanently

Related Diagnostic Procedures

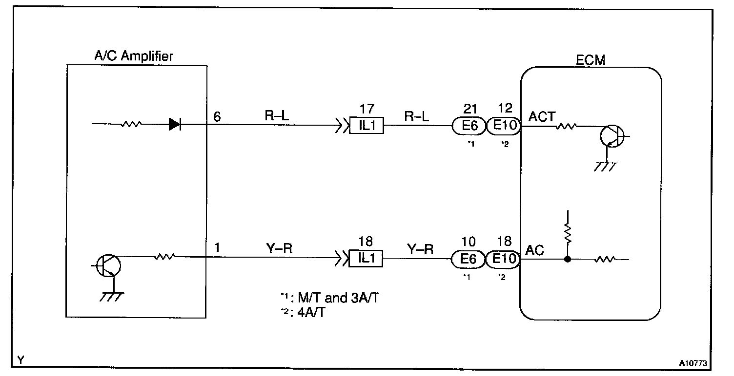
CIRCUIT DESCRIPTION
This circuit cuts air conditioning operation during vehicle acceleration in order to increase acceleration performance. During acceleration with the vehicle speed at (AT: 25 KPH (16 MPH), MT: 40 KPH (25 MPH)) or less, engine speed at (AT: 1,200 rpm, MT: 1,600 rpm) or less and throttle valve opening angle at 60° or more, the A/C magnet switch is turned OFF for several seconds.




WIRING DIAGRAM

INSPECTION PROCEDURE

Step 1:




Step 2:




Step 3:




TOYOTA hand-held tester:

Step 1:




Step 2:




OBDII scan tool (excluding TOYOTA hand-held tester):