Operation CHARM: Car repair manuals for everyone.
Manuals through 2025 now available!

Our trusted friends have launched a new website named LEMON, which has newer manuals. It also contains all the CHARM manuals.

LEMON is the spiritual successor to CHARM, I recommend you try it!

Link: lemon-manuals.la or lemon-manuals.org.ua

(Some people have issue connecting. LEMON is investigating. For now, use Firefox or change your DNS server)

Or, hide this message: temporarily or permanently

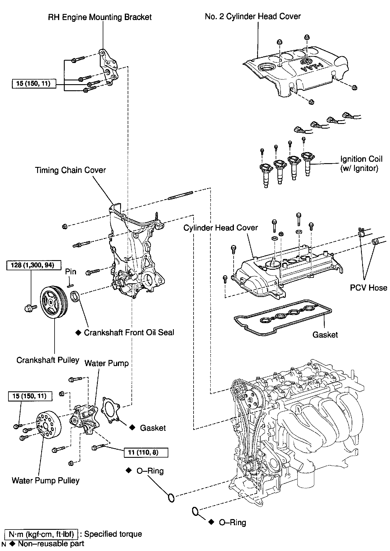
Oil Pump, Engine

OIL PUMP REPLACEMENT AND OVERHAUL W/ RELATED COMPONENTS

Part 1 Of 3:





Part 1 of 3

Part 2 Of 3:





Part 2 of 3

Part 3 Of 3:





Part 3 of 3