Operation CHARM: Car repair manuals for everyone.
Manuals through 2025 now available!

Our trusted friends have launched a new website named LEMON, which has newer manuals. It also contains all the CHARM manuals.

LEMON is the spiritual successor to CHARM, I recommend you try it!

Link: lemon-manuals.la or lemon-manuals.org.ua

(Some people have issue connecting. LEMON is investigating. For now, use Firefox or change your DNS server)

Or, hide this message: temporarily or permanently

Part 2

REASSEMBLY

NOTICE:
- The automatic transmission is composed of highly precision-finished parts, necessitating careful inspection before reassembly because even a small nick could cause fluid leakage or affect the performance. The instructions here are organized so that you work on only one component group at a time. This will help avoid confusion from similar-looking parts of different sub-assemblies being on your workbench at the same time. The component groups are inspected and repaired from the converter housing side. As much as possible, complete the inspection, repair and reassembly before proceeding to the next component group. If a defect is found in a certain component group during reassembly, inspect and repair this group immediately. If a component group cannot be assembled because parts are being ordered, be sure to keep all parts of the group in a separate container while proceeding with disassembly, inspection, repair and reassembly of other component groups.
Recommended ATF: Dell or DEXRON III (DETHRONE II)
- All disassembled parts should be washed clean and any fluid passages and holes should be blown through with compressed air.
- Dry all parts with compressed air-never use shop rags.
- When using compressed air, always aim away from yourself to prevent accidentally spraying ATF or kerosene on your face.
- The recommended ATF or kerosene should be used for cleaning.
- After cleaning, the parts should be arranged in the correct order for efficient inspection, repairs, and reassembly.
- When disassembling a valve body, be sure to match each valve together with the corresponding spring.
- New discs for the brakes and clutches that are to be used for replacement must be soaked in ATF for at least 15 minutes before reassembly.
- All oil seal rings, clutch discs, clutch plates, rotating parts, and sliding surfaces should be coated with ATF prior to reassembly.
- All gaskets and rubber O-rings should be replaced.
- Do not apply adhesive cements to gaskets and similar parts.
- Make sure that the ends of a snap ring are not aligned with one of the cutouts and are installed in the groove correctly.
- If a worn bushing is to be replaced, the sub-assembly containing the bushing must also be replaced.
- Check thrust bearings and races for wear or damage. Replace if necessary.
- Use petroleum jelly to keep parts in place.
- When working with FIPG material, you must observe the following. Using a razor blade and a gasket scraper, remove all the old packing (FIPG) material from the gasket surface.
Thoroughly clean all components to remove all the loose material. Clean both sealing surfaces with a non-residue solvent.
Parts must be reassembled within 10 minutes of application. Otherwise, the packing (FIPG) material must be removed and reapplied.

25. INSTALL O/D PLANETARY RING GEAR, O/D DIRECT CLUTCH AND ONE-WAY CLUTCH





a. Coat the race with petroleum jelly and install it onto the O/D support.





Race diameter





b. Install the O/D planetary ring gear.





c. Coat the bearing and race with petroleum jelly and install them onto the planetary ring gear.





Bearing and race diameter





d. Coat the race with petroleum jelly and install it onto the planetary gear.





Race diameter





e. Install the O/D planetary gear, O/D direct clutch and one-way clutch.





f. Place SST on the transmission case.
SST 09350-36010 (09350-06090)
g. Using calipers, measure distance between the tops of SST and the clutch drum.
Standard distance: 15.5 - 16.5 mm (0.610 - 0.650 inch)
If the values are non-standard, check for an improper installation.





h. Coat the assembled bearing & race with petroleum jelly and install it onto the O/D direct clutch.





Bearing and race diameter

26. INSTALL OIL PUMP INTO CASE





a. Coat the race with petroleum jelly and install it onto the oil pump.





Race diameter

b. Coat a new O-ring with ATF and install it around the pump body.
c. Place the oil pump through the input shaft, and align the bolt holes of the pump body with the transmission case.
d. Hold the input shaft, and lightly press the oil pump body to slide the oil seal rings into the O/D direct clutch drum.

NOTICE: Do not push on the oil pump strongly, or the oil seal ring will stick to the direct clutch drum.





e. Install the 7 bolts.
Torque: 22 Nm (220 kgf-cm, 16 ft. lbs.)





27. CHECK INPUT SHAFT ROTATION
Make sure the input shaft rotates smoothly.





28. INSTALL TRANSMISSION CASE PLUG
a. Coat a new O-ring with ATF and install it to the plug.
b. Install the cable to the case with the bolt.
Torque: 5.4 Nm (55 kgf-cm, 48 inch lbs.)





29. INDIVIDUAL PISTON OPERATION INSPECTION
Check for the sound of operation while applying compressed air into the oil hole indicated in the illustration.

HINT: When inspecting the O/D direct clutch, check with the C0 accumulator piston hole closed.

If there is no noise, disassemble and check the installation condition of the parts.
1. O/D direct clutch
2. Direct clutch
3. Forward clutch
4. O/D brake
5. 2nd coast brake
6. 2nd brake
7. 1st & reverse brake
30. INSTALL MANUAL VALVE LEVER, SHAFT AND OIL SEAL





a. Using SST, drive in 2 new oil seals.
SST 09350-30020 (09350-07110)
b. Coat the oil seal lip with MP grease.





c. Install a new spacer to the manual valve lever.
d. Install the manual valve lever shaft to the transmission case through the manual valve lever.





e. Using a hammer, drive in a new spring pin.





f. Match the manual valve lever indentation with the spacer hole and caulk them with a punch.
g. Make sure the shaft rotates smoothly.
31. INSTALL PARKING LOCK PAWL AND ROD





a. Install the E-ring to the shaft.
b. Install the parking lock pawl, shaft and spring.





c. Connect the parking lock rod to the manual valve lever.





d. Install the parking lock pawl bracket with the 3 bolts.
Torque: 7.4 Nm (75 kgf-cm, 65 inch lbs.)





e. Shift the manual valve lever to the P position, and confirm that the planetary ring gear is correctly locked up by the pawl.
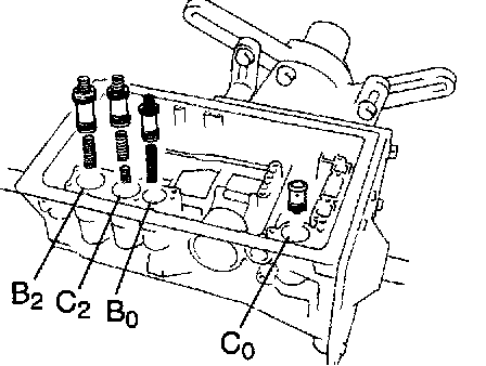
32. INSTALL ACCUMULATOR SPRING AND PISTON
a. Coat new O-rings with ATF and install them to the pistons.





b. Install the 3 springs and 4 accumulator pistons to the bore.

HINT: The pistons are marked in relief with either C0, B0, C2 or B2 to differentiate between them.





c. Install the 2 springs to the C0 accumulator piston.








Accumulator spring





33. INSTALL CHECK BALL BODY AND SPRING
34. INSTALL VALVE BODY





a. Align the groove of the manual valve with the pin of the lever.





b. Install the 17 bolts.
Torque: 10 Nm (100 kgf-cm, 7 ft. lbs.)
Bolt length:
Bolt A: 23 mm (0.91 inch)
Bolt B: 28 mm (1.10 inch)
Bolt C: 36 mm (1.42 inch)
35. INSTALL SOLENOID WIRING





a. Coat a new O-ring with ATF and install it to the solenoid wiring.
b. Install the solenoid wiring to the case and install the stopper plate.
Torque: 5.4 Nm (55 kgf-cm, 48 inch lbs.)





c. Connect the connectors to each shift solenoid valve.
36. INSTALL OIL STRAINER AND GASKET





a. Install 5 new gaskets on the oil strainer.





b. Install the oil strainer with the 4 bolts.
Torque: 10 Nm (100 kgf-cm, 7 ft. lbs.)
Bolt length:
Bolt A: 14 mm (0.55 inch)
Bolt B: 20 mm (0.79 inch)
Bolt C: 23 mm (0.91 inch)





37. INSTALL MAGNET IN PAN
Install the 4 magnets on the oil pan.
38. INSTALL OIL PAN





a. Remove any FIPG material and be careful not to drop oil on the contacting surfaces of the transmission case and oil pan.
b. Apply FIPG to the oil pan.
FIPG: Part No. 08826-00090, THREE BOND 1281 or equivalent





c. Install the oil pan with the 19 bolts.
Torque: 7.4 Nm (75 kgf-cm, 65 inch lbs.)
39. INSTALL SENSOR ROTOR AND KEY





a. Using a snap ring expander, install the snap ring.





b. Install the key on the output shaft.
c. Align the groove of the sensor rotor with the key, install the sensor rotor.





40. INSTALL SPEEDOMETER DRIVE GEAR
a. Align the protrusion of the speedometer drive gear with the dent of the sensor rotor key, install the drive gear.
b. Using a snap ring expander, install the snap ring.





41. INSTALL EXTENSION HOUSING AND NEW GASKET
a. Apply seal packing or equivalent to the 6 bolts.
Seal packing: Part No. 08833-00080, THREE BOND 1344 LOCTITE 242 or equivalent
b. Install the extension housing and a new gasket to the case with the 6 bolts.

HINT: The 2 lower bolts are shorter.

Torque: 36 Nm (370 kgf-cm, 27 ft. lbs.)





42. INSTALL TRANSMISSION HOUSING
a. Clean the threads of the bolts and case with white gasoline.
b. Apply seal packing or equivalent to the 6 bolts.
Seal packing: Part No. 08833-00080, THREE BOND 1344 LOCTITE 242 or equivalent
c. Install the transmission housing with the 6 bolts.
Torque:
14 mm bolt: 34 Nm (345 kgf-cm, 25 ft. lbs.)
17 mm bolt: 57 Nm (580 kgf-cm, 42 ft. lbs.)





43. INSTALL NO. 2 VEHICLE SPEED SENSOR
a. Install a new O-ring to the sensor.
b. Install the No. 2 vehicle speed sensor with the bolt.
Torque: 5.4 Nm (55 kgf-cm, 48 inch lbs.)





44. INSTALL NO. 1 VEHICLE SPEED SENSOR
a. Install a new O-ring to the sensor.
b. Install the No. 1 vehicle speed sensor with the bolt.
Torque: 16 Nm (160 kgf-cm, 12 ft. lbs.)





45. INSTALL O/D DIRECT CLUTCH SPEED SENSOR
a. Install a new O-ring to the sensor.
b. Install the O/D direct clutch speed sensor with the bolt.
Torque: 5.4 Nm (55 kgf-cm, 48 inch lbs.)





46. INSTALL ELBOW
a. Coat new O-rings with ATF and install them to each elbow.
b. Install the 2 elbows.
Torque: 29 Nm (300 kgf-cm, 22 ft. lbs.)





47. INSTALL ATF TEMPERATURE SENSOR
a. Coat a new O-ring with ATF and install it to the ATF temperature sensor.
b. Install the sensor.
Torque: 29 Nm (300 kgf-cm, 22 ft. lbs.)
48. INSTALL PARK/NEUTRAL POSITION SWITCH





a. Install park/neutral position switch onto the manual valve lever shaft and temporarily tighten the adjusting bolt.
b. Install the grommet and a new lock washer. Install the nut.
Torque: 6.9 Nm (70 kgf-cm, 61 inch lbs.)
c. Using the control shaft lever, fully turn the manual lever shaft back and return 2 notches. It is now in neutral.





d. Align the neutral basic line with the switch groove, and tighten the adjusting bolt.
Torque: 13 Nm (130 kgf-cm, 9 ft. lbs.)
e. Bend the tabs of the lock washer.

HINT: Bend at least 2 of the lock washer tabs.





49. INSTALL CONTROL SHAFT LEVER
Torque: 16 Nm (160 kgf-cm, 12 ft. lbs.)
50. INSTALL 2 WIRE HARNESS BRACKETS
Torque: 5.4 Nm (55 kgf-cm, 48 inch lbs.)
51. INSTALL DRAIN PLUG AND A NEW GASKET