Operation CHARM: Car repair manuals for everyone.
Manuals through 2025 now available!

Our trusted friends have launched a new website named LEMON, which has newer manuals. It also contains all the CHARM manuals.

LEMON is the spiritual successor to CHARM, I recommend you try it!

Link: lemon-manuals.la or lemon-manuals.org.ua

(Some people have issue connecting. LEMON is investigating. For now, use Firefox or change your DNS server)

Or, hide this message: temporarily or permanently

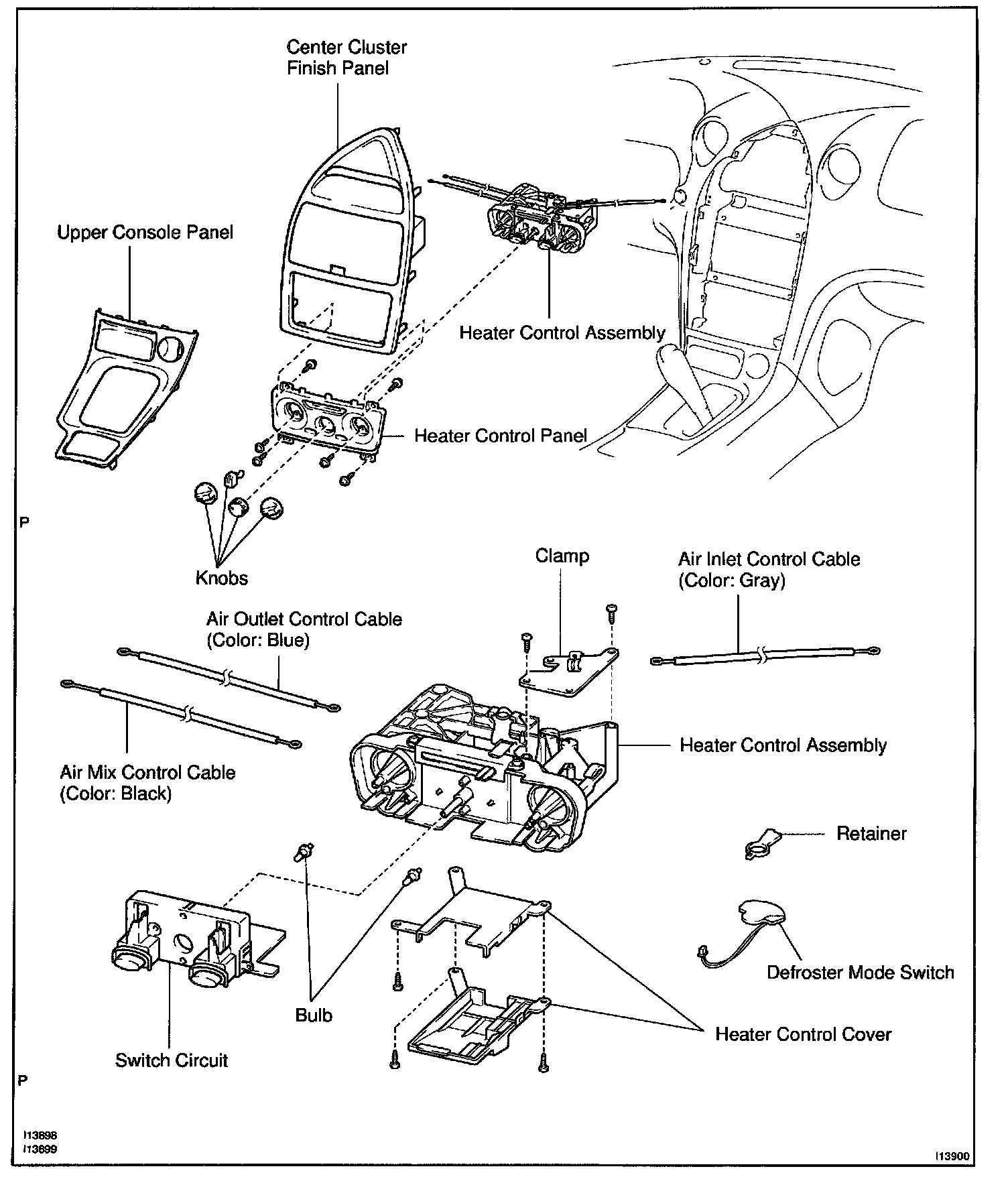
Control Assembly: Service and Repair

Heater Control Assembly:






REMOVAL

1. REMOVE CENTER CLUSTER FINISH PANEL




2. DISCONNECT HEATER CONTROL CABLES

NOTE: When the air mix damper control cables is disconnected, should not bend the cable.




3. REMOVE HEATER CONTROL ASSEMBLY
Release the 2 claws and pull out the A/C control assembly, then disconnect the connector.




4. REMOVE HEATER CONTROL PANEL
a. Remove the 2 screws.
b. Slide and remove the A/C control assembly.

INSTALLATION




1. INSTALL A/C CONTROL PANEL
Install the A/C control panel and 2 screws.

2. INSTALL A/C CONTROL ASSEMBLY
a. Install the A/C control assembly temporarily.




b. Pass through the A/C control cables as shown in the illustration.




c. Fit the 2 claws of heater control assembly in the instrument panel hole.

3. CONNECT A/C CONTROL CABLES
a. Set air inlet control lever to "RECIRC" position.
b. Set temperature control dial to "MAX. COOL" position.
c. Set mode control dial to "DEF" position.




d. Adjust air inlet damper control cable.
Set air inlet damper control lever to "RECIRC" position and connect the inner cable to lever pin and clamp the outer cable.

HINT: Lock the clamp while lightly pushing the outer cable to the direction shown by arrow in the illustration.




e. Adjust air mix damper control cable.
Set air mix damper control lever to "MAX. COOL" position and connect the inner cable to lever pin and clamp the outer cable.

HINT: Lock the clamp while lightly pushing the outer cable to the direction shown by arrow in the illustration.




f. Adjust air outlet damper control cable.
Pull the air outlet damper control link to "DEF" position, connect the control cable and lock the clamp.

HINT: Lock the clamp while lightly pushing the outer cable to the direction shown by arrow in the illustration.