Operation CHARM: Car repair manuals for everyone.
Manuals through 2025 now available!

Our trusted friends have launched a new website named LEMON, which has newer manuals. It also contains all the CHARM manuals.

LEMON is the spiritual successor to CHARM, I recommend you try it!

Link: lemon-manuals.la or lemon-manuals.org.ua

(Some people have issue connecting. LEMON is investigating. For now, use Firefox or change your DNS server)

Or, hide this message: temporarily or permanently

Component Tests

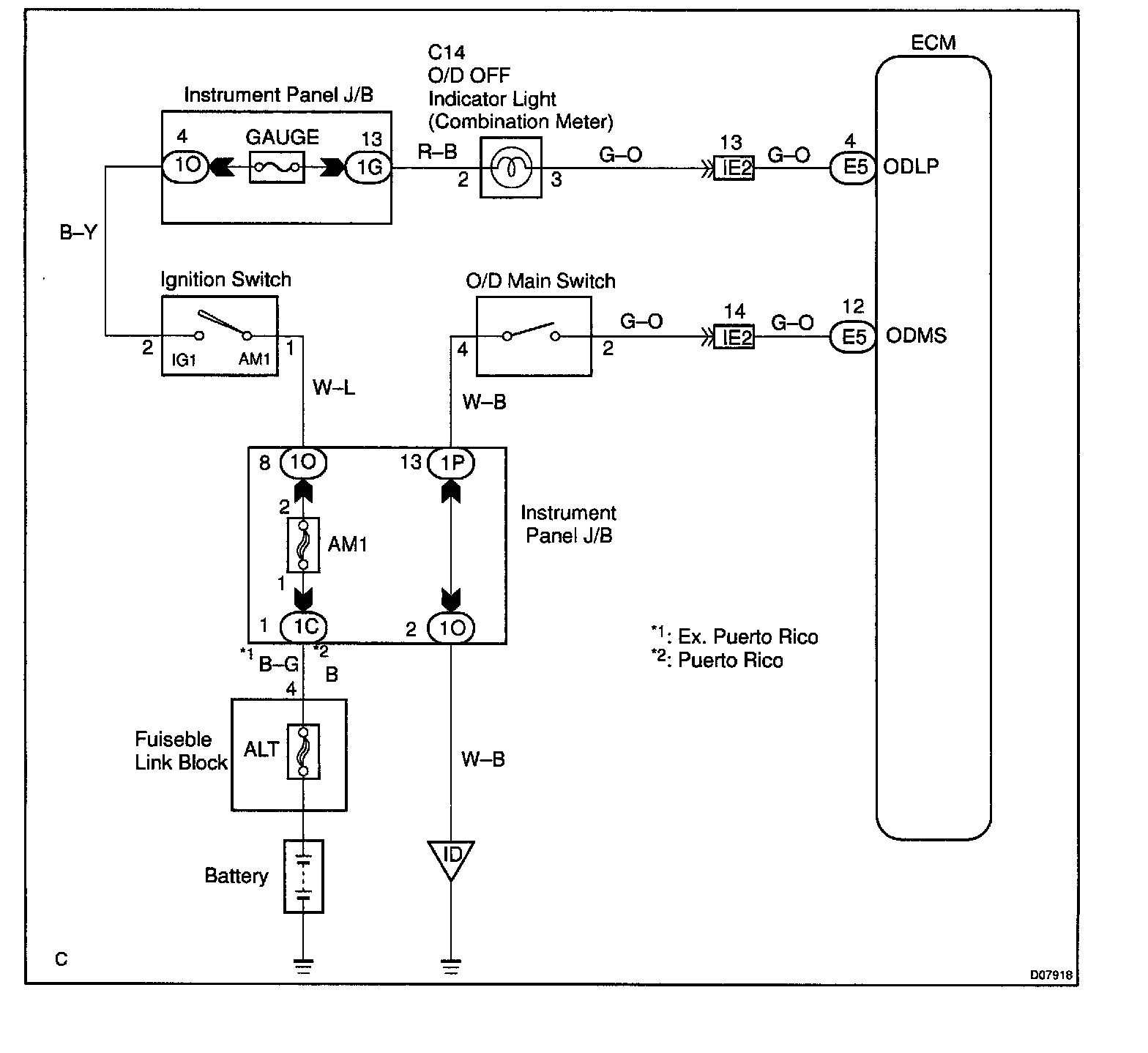
O/D Main Switch & O/D OFF Indicator Light Circuit

CIRCUIT DESCRIPTION
The O/D main switch is a momentary type switch. When pressing the O/D main switch, the O/D OFF indicator

Light lights up and ECM prohibits shifting to O/D, and when pressing it again, the O/D OFF indicator light goes off and ECM allows shifting to O/D. Turning the IG switch OFF will reset the O/D OFF indicator Light.

Wiring Diagram:






Steps 1 - 3:




Steps 4 - 5:




INSPECTION PROCEDURE