Operation CHARM: Car repair manuals for everyone.
Manuals through 2025 now available!

Our trusted friends have launched a new website named LEMON, which has newer manuals. It also contains all the CHARM manuals.

LEMON is the spiritual successor to CHARM, I recommend you try it!

Link: lemon-manuals.la or lemon-manuals.org.ua

(Some people have issue connecting. LEMON is investigating. For now, use Firefox or change your DNS server)

Or, hide this message: temporarily or permanently

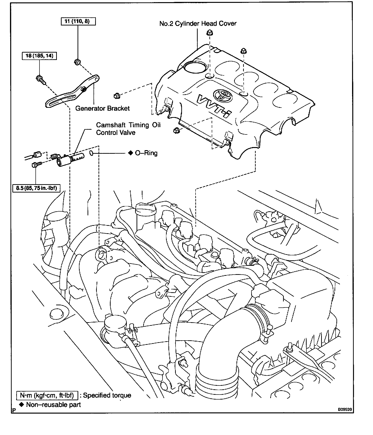
Variable Valve Timing Actuator

Camshaft Timing Oil Control Valve:





Bolt, Oil Control Valve
Torque:....................8.5 N.m (85 kgf.cm, 75 in.lbf)

Generator Bracket With Nut
Torque:....................11 N.m (110 kgf.cm, 8 ft.lbf)

Generator Bracket Adjusting Nut
Torque:....................18 N.m (185 kgf.cm, 14 ft.lbf)