Operation CHARM: Car repair manuals for everyone.
Manuals through 2025 now available!

Our trusted friends have launched a new website named LEMON, which has newer manuals. It also contains all the CHARM manuals.

LEMON is the spiritual successor to CHARM, I recommend you try it!

Link: lemon-manuals.la or lemon-manuals.org.ua

(Some people have issue connecting. LEMON is investigating. For now, use Firefox or change your DNS server)

Or, hide this message: temporarily or permanently

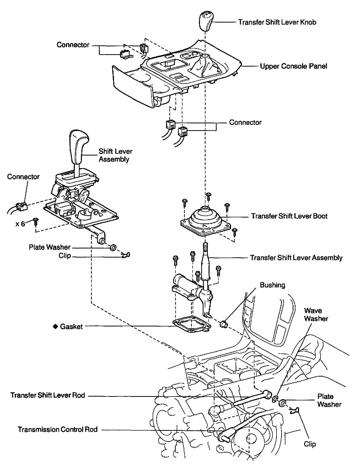
System Diagram

ENGINE UNIT REPLACEMENT AND OVERHAUL W/ RELATED COMPONENTS





Part 1 of 7





Part 2 of 7

ECM (Passenger Compartment):





Part 3 of 7





Part 4 of 7





Part 5 of 7





Part 6 of 7





Part 7 of 7