Manuals through 2025 now available!
Our trusted friends have launched a new website named LEMON, which has newer manuals. It also contains all the CHARM manuals.
LEMON is the spiritual successor to CHARM, I recommend you try it!
Link:
lemon-manuals.la or
lemon-manuals.org.ua
(Some people have issue connecting. LEMON is investigating. For now, use Firefox or change your DNS server)
Or, hide this message:
temporarily or
permanently
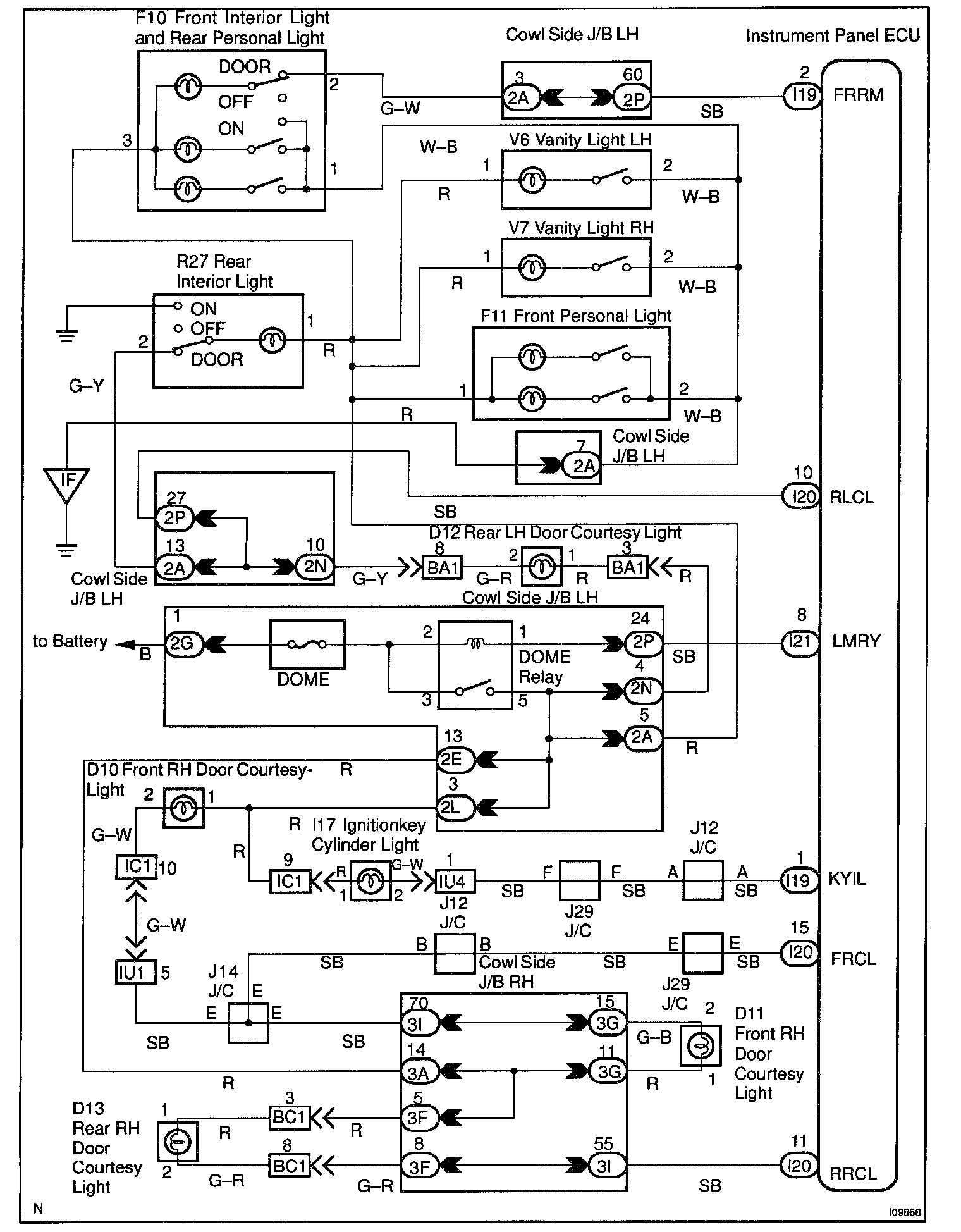
Illumination Circuit
CIRCUIT DESCRIPTIONReceiving the courtesy signal from the Body ECU will make the interior light, ignition light, and courtesy light come on.
Steps 1 - 3:
INSPECTION PROCEDURE