Operation CHARM: Car repair manuals for everyone.
Manuals through 2025 now available!

Our trusted friends have launched a new website named LEMON, which has newer manuals. It also contains all the CHARM manuals.

LEMON is the spiritual successor to CHARM, I recommend you try it!

Link: lemon-manuals.la or lemon-manuals.org.ua

(Some people have issue connecting. LEMON is investigating. For now, use Firefox or change your DNS server)

Or, hide this message: temporarily or permanently

Fuse Block: Locations




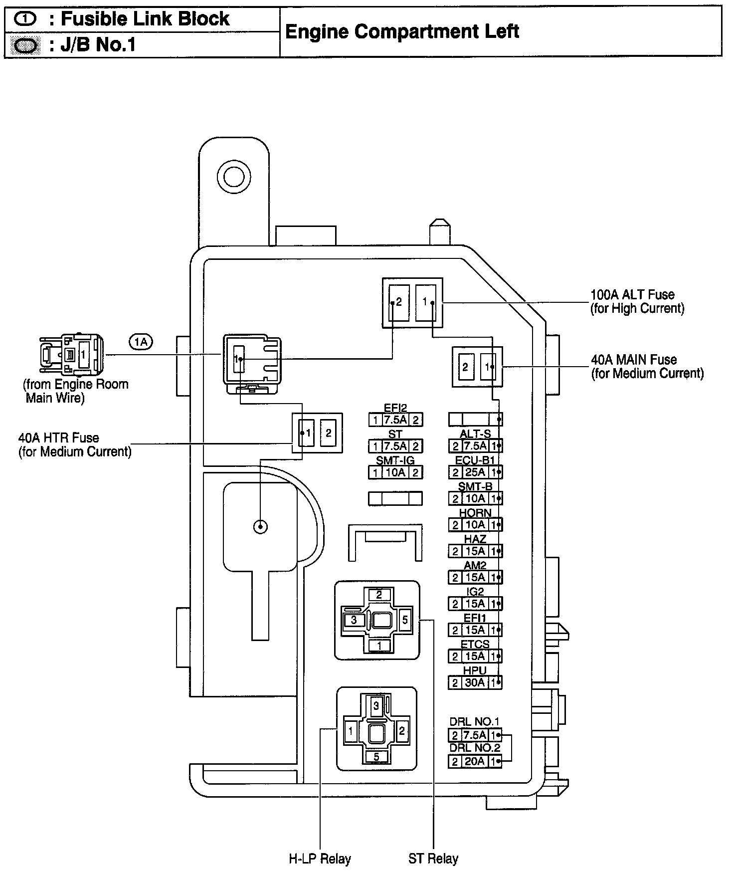
Fusible Link Block - J/B No.1:




Engine Room R/B:




R/B No.3 - J/B No.3:




R/B No.4 - J/B No.4:




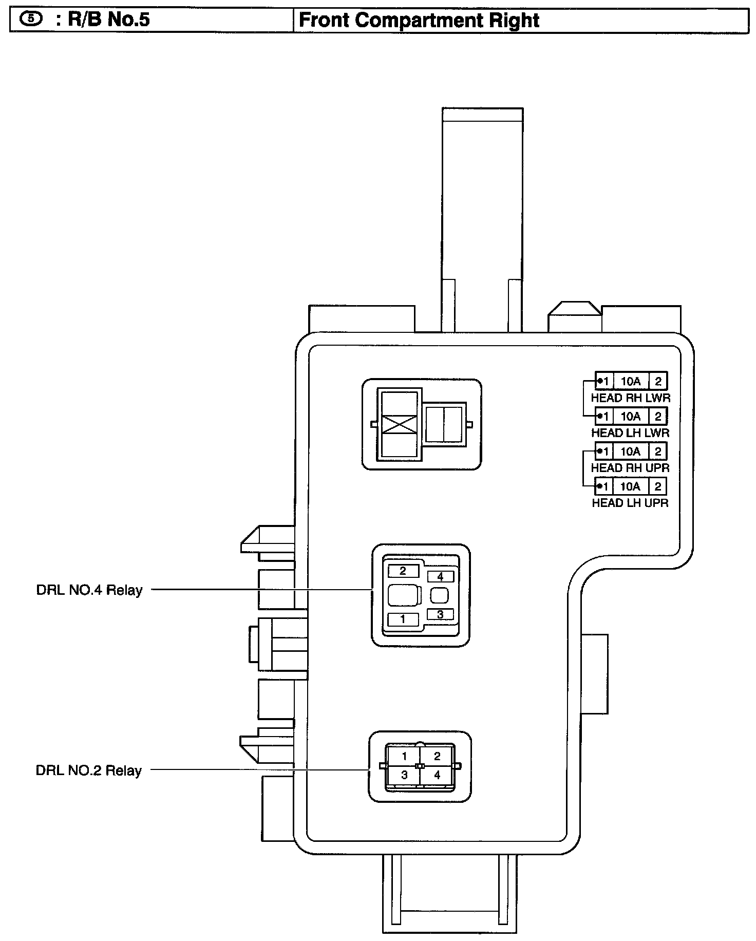
R/B No.5:




Details



Engine Compartment:




Instrument Panel:




Body:




Locations