Operation CHARM: Car repair manuals for everyone.
Manuals through 2025 now available!

Our trusted friends have launched a new website named LEMON, which has newer manuals. It also contains all the CHARM manuals.

LEMON is the spiritual successor to CHARM, I recommend you try it!

Link: lemon-manuals.la or lemon-manuals.org.ua

(Some people have issue connecting. LEMON is investigating. For now, use Firefox or change your DNS server)

Or, hide this message: temporarily or permanently

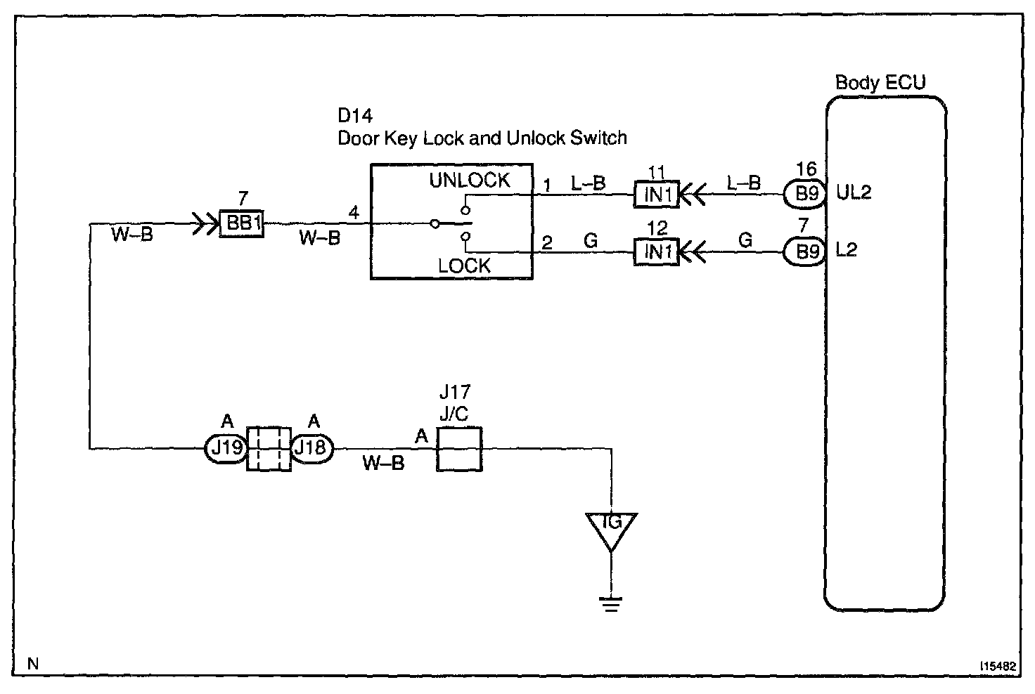
Door Key Lock and Unlock Switch Circuit

CIRCUIT DESCRIPTION
The door key lock and unlock switch is built in the door key cylinder. When the key is turned to the lock side, terminal 3 of the switch is grounded and when the key is turned to the unlock side, terminal 2 of the switch is grounded.

Wiring Diagram:






Steps 1 - 2:




INSPECTION PROCEDURE