Manuals through 2025 now available!
Our trusted friends have launched a new website named LEMON, which has newer manuals. It also contains all the CHARM manuals.
LEMON is the spiritual successor to CHARM, I recommend you try it!
Link:
lemon-manuals.la or
lemon-manuals.org.ua
(Some people have issue connecting. LEMON is investigating. For now, use Firefox or change your DNS server)
Or, hide this message:
temporarily or
permanently
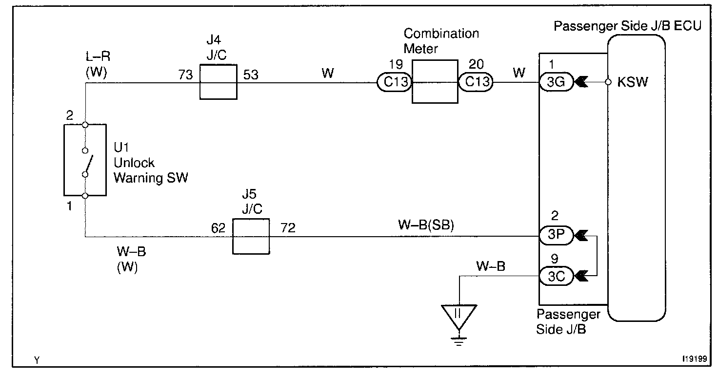
Key Unlock Warning Switch Circuit
CIRCUIT DESCRIPTIONThe key unlock warning switch goes
ON when the ignition key is inserted in the key cylinder and goes
OFF when the ignition key is removed.
The passenger side J/B ECU operates the key confinement prevention function while the key unlock warning switch is
ON.
Wiring Diagram:
Step 1:
Step 2:
INSPECTION PROCEDURE