Manuals through 2025 now available!
Our trusted friends have launched a new website named LEMON, which has newer manuals. It also contains all the CHARM manuals.
LEMON is the spiritual successor to CHARM, I recommend you try it!
Link:
lemon-manuals.la or
lemon-manuals.org.ua
(Some people have issue connecting. LEMON is investigating. For now, use Firefox or change your DNS server)
Or, hide this message:
temporarily or
permanently
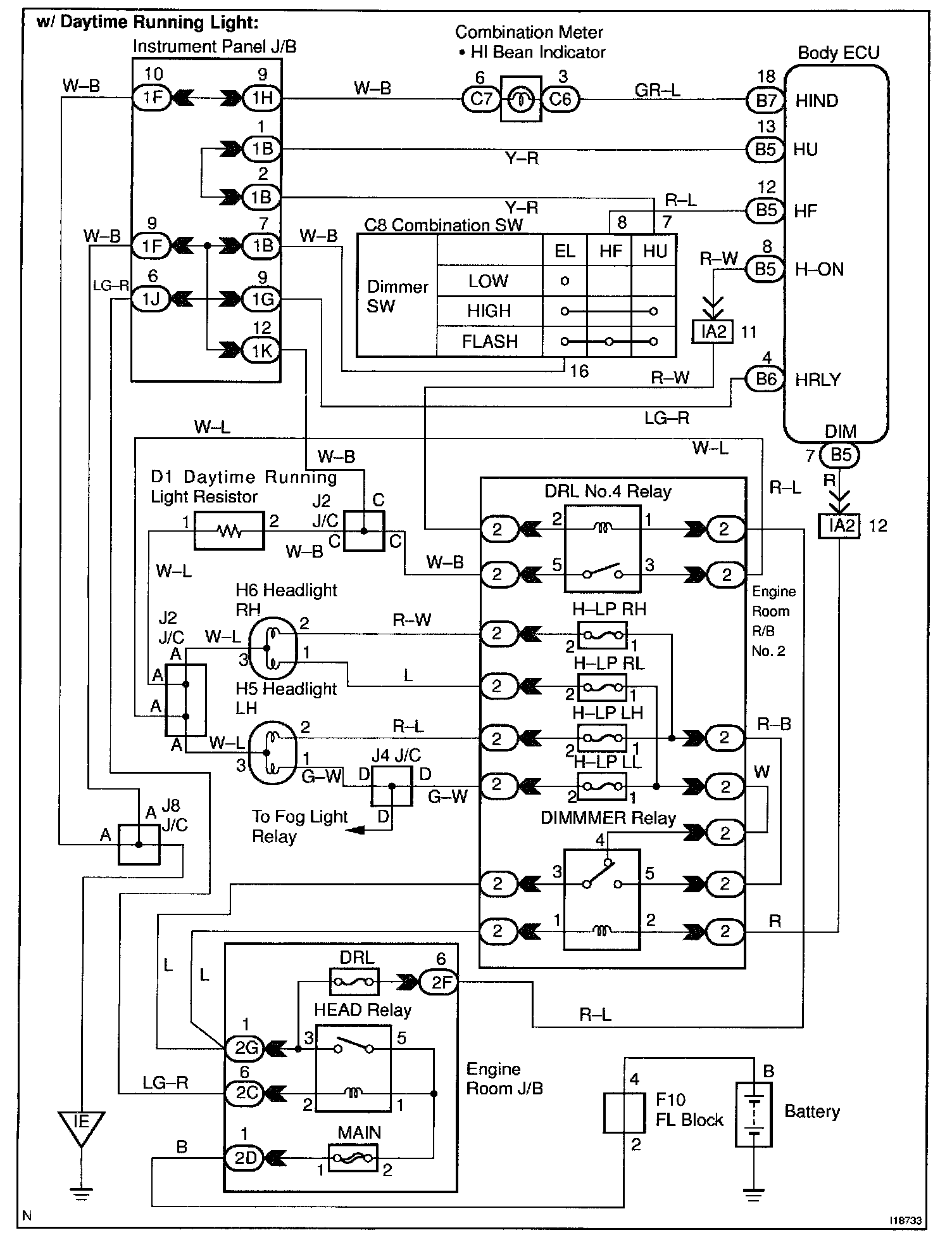
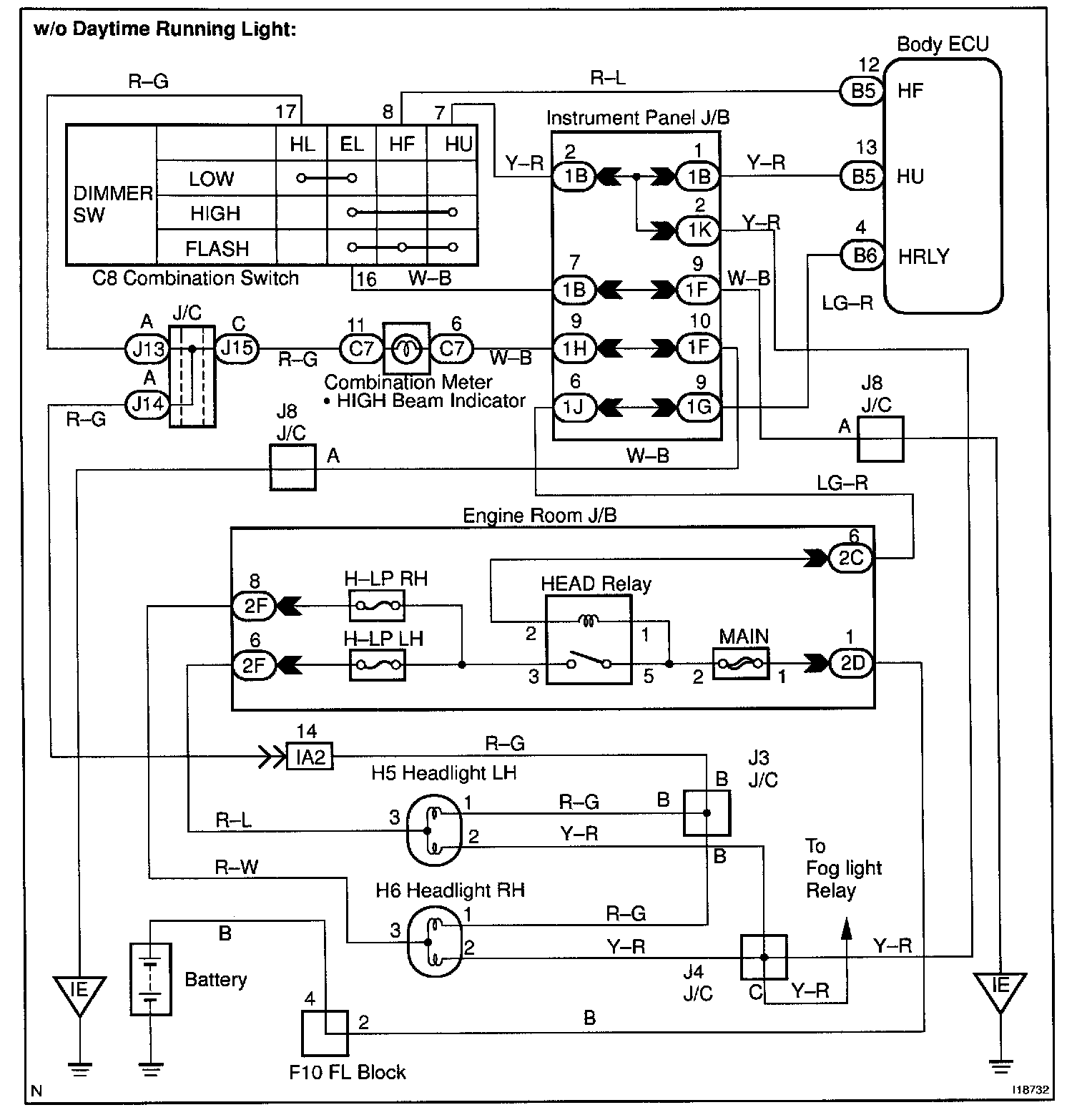
Headlight Dimmer Switch Circuit
CIRCUIT DESCRIPTIONThis circuit defects the state of the headlight dimmer switch.
Wiring Diagram - W/ Daytime Running Light:
Wiring Diagram - W/O Daytime Running Light:
Steps 1 - 2:
INSPECTION PROCEDURE