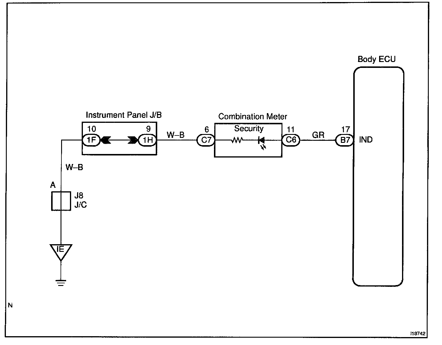
Theft Deterrent Indicator Circuit
CIRCUIT DESCRIPTIONWhen the theft deterrent system is preparing to set, this circuit lights up the indicator light. When the system has been set, it continually turns the indicator light on for 1 second and turns it off for 1 second, thus blinking the indicator light.
This theft deterrent indicator is connected to the ECM and outputs the key judgment of the immobilizer.
Wiring Diagram:
Steps 1 - 3:
INSPECTION PROCEDURE
HINT: In case of using the TOYOTA hand-held tester, start the inspection from step 1 and in case of not using the TOYOTA hand-held tester, start from step 2.