Operation CHARM: Car repair manuals for everyone.
Manuals through 2025 now available!

Our trusted friends have launched a new website named LEMON, which has newer manuals. It also contains all the CHARM manuals.

LEMON is the spiritual successor to CHARM, I recommend you try it!

Link: lemon-manuals.la or lemon-manuals.org.ua

(Some people have issue connecting. LEMON is investigating. For now, use Firefox or change your DNS server)

Or, hide this message: temporarily or permanently

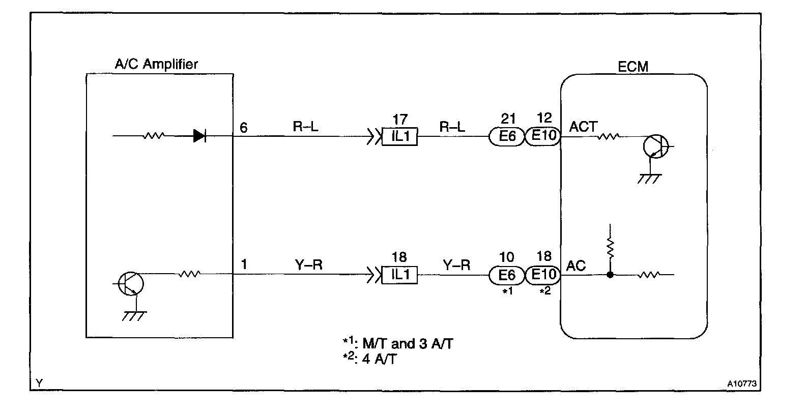
A/C Cut Control Circuit

CIRCUIT DESCRIPTION

This circuit cuts air conditioning operation during vehicle acceleration in order to increase acceleration performance. During acceleration with the vehicle speed at (AT: 25 kph (16 mph), MT: 40 kph (25 mph)) or less, engine speed at (AT: 1,200 rpm, MT: 1,600 rpm) or less and throttle valve opening angle at 60 ° or more, the A/C magnet switch is turned OFF for several seconds.

Wiring Diagram:





INSPECTION PROCEDURE


Step 1:




Step 1 (Contd.) - 3:




TOYOTA hand-held tester:

Step 1 - 2:




OBD II scan tool (excluding TOYOTA hand-held tester):