Operation CHARM
: Car repair manuals for everyone.
Home
>>
Toyota
>>
2002
>>
Corolla LE Sedan L4-1.8L (1ZZ-FE)
>>
Repair and Diagnosis
>>
Power and Ground Distribution
>>
Fuse Block
>>
Locations
Manuals through 2025 now available!
Our trusted friends have launched a new website named LEMON, which has newer manuals. It also contains all the CHARM manuals.
LEMON is the spiritual successor to CHARM, I recommend you try it!
Link:
lemon-manuals.la
or
lemon-manuals.org.ua
(Some people have issue connecting. LEMON is investigating. For now, use Firefox or change your DNS server)
Or, hide this message:
temporarily
or
permanently
Fuse Block: Locations
Instrument Panel J/B Part 1:
Instrument Panel J/B Part 2:
Engine Room J/B Part 1:
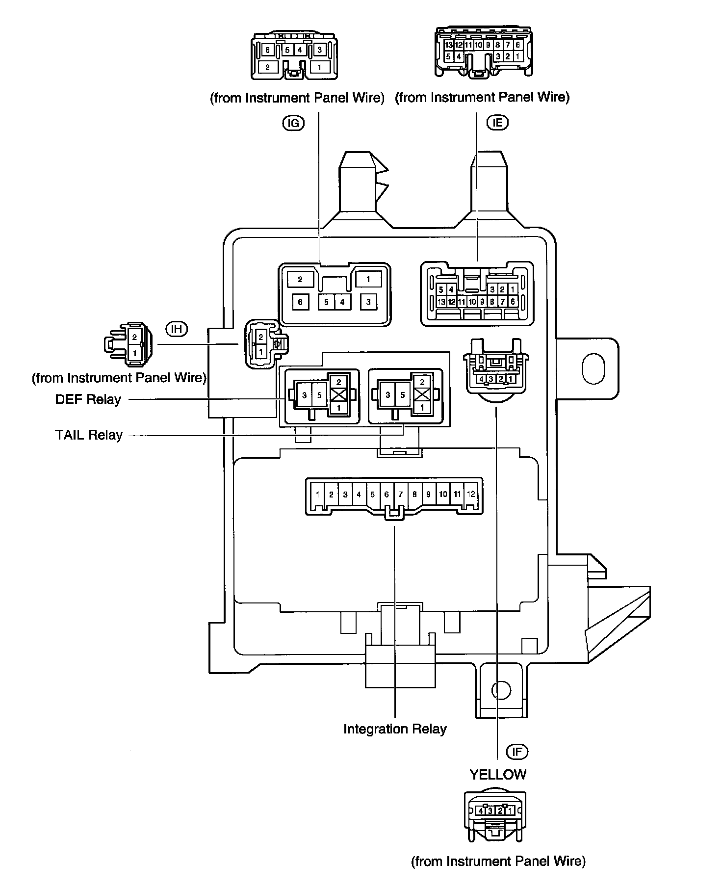
Driver Side R/B:
Engine Room R/B No.5:
Engine Room R/B No.6:
Details
Engine Compartment:
Instrument Panel:
Body:
Locations