Operation CHARM: Car repair manuals for everyone.
Manuals through 2025 now available!

Our trusted friends have launched a new website named LEMON, which has newer manuals. It also contains all the CHARM manuals.

LEMON is the spiritual successor to CHARM, I recommend you try it!

Link: lemon-manuals.la or lemon-manuals.org.ua

(Some people have issue connecting. LEMON is investigating. For now, use Firefox or change your DNS server)

Or, hide this message: temporarily or permanently

Air Flow Meter/Sensor: Service and Repair

Mass Air Flow (MAF) Meter:






REMOVAL

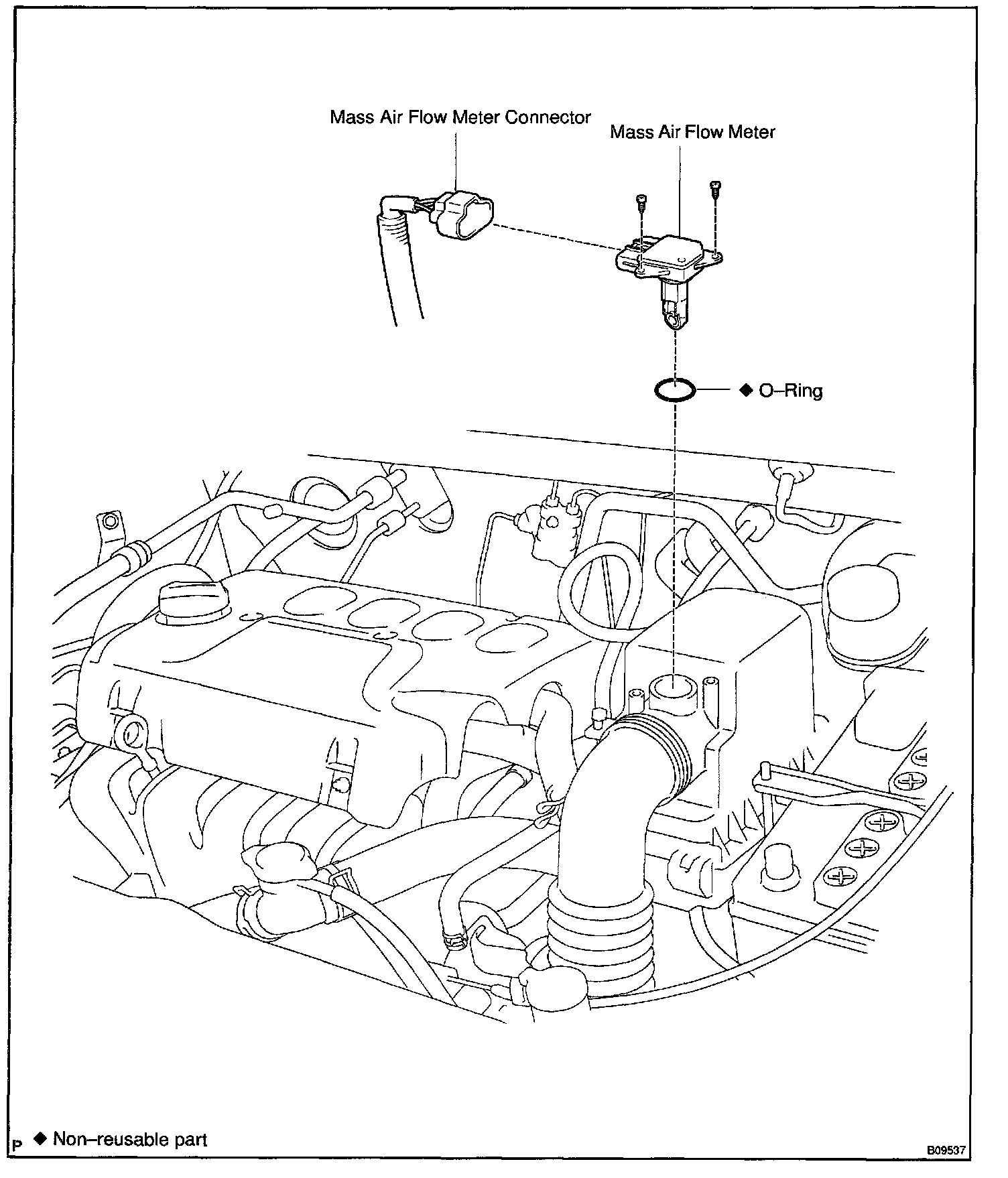
REMOVE MASS AIR FLOW METER
Remove the 2 screws, air flow meter and O-ring.

INSTALLATION

INSTALL MASS AIR FLOW METER
Install the air flow meter and a new O-ring with 2 screws.