Operation CHARM: Car repair manuals for everyone.
Manuals through 2025 now available!

Our trusted friends have launched a new website named LEMON, which has newer manuals. It also contains all the CHARM manuals.

LEMON is the spiritual successor to CHARM, I recommend you try it!

Link: lemon-manuals.la or lemon-manuals.org.ua

(Some people have issue connecting. LEMON is investigating. For now, use Firefox or change your DNS server)

Or, hide this message: temporarily or permanently

Front Wheel Alignment

NOTICE: For Zero Point Calibration information, please refer to: TSB T-SB-0020-8 (3/25/08).

ADJUSTMENT





1. INSPECT TIRE
a. Check the tires for wear and proper inflation pressure.





Cold tire inflation pressure:

b. Using a dial indicator, check the tire runout.
Tire runout: 3.0 mm (0.039 inch) or less





2. MEASURE VEHICLE HEIGHT

Vehicle height:





(4WD)





(2WD)

Measuring points:
A: Ground clearance of front wheel center
B: Ground clearance of lower suspension arm No. 2 set bolt center
C: Ground clearance of strut rod set bolt center
D: Ground clearance of rear wheel center

NOTICE: Before inspecting the wheel alignment, adjust the vehicle height to the specified value.

If the vehicle height is not the specified value, try to adjust it by pushing down on or lifting the body.

Measuring Point Reference:





3. INSPECT TOE-IN





Toe-in:

If the toe-in is not within the specified value, adjust it at the rack ends.
4. ADJUST TOE-IN
a. Remove the rack boot set clips.
b. Loosen the tie rod end lock nuts.
c. Turn the right and left rack ends by an equal amount to adjust the toe-in.

HINT: Try to adjust the toe-in to the center of the specified value.





d. Make sure that the lengths of the right and left rack ends are the same.
e. Torque the tie rod end lock nuts.
Torque: 74 Nm (755 kgf-cm, 55 ft. lbs.)
f. Place the boots on the seats and install the clips.

HINT: Make sure that the boots are not twisted.





5. INSPECT WHEEL ANGLE
a. Turn the steering wheel fully and measure the turning angle.

Wheel turning angle:





(4WD)





(2WD)

If the right and left inside wheel angles differ from the specified value, check the right and left rack end lengths.





6. INSPECT CAMBER, CASTER AND STEERING AXIS INCLINATION
a. Install the camber-caster-kingpin gauge or position vehicle on wheel alignment tester.
b. Inspect the camber, caster and steering axis inclination.

Camber, caster and steering axis inclination:





(4WD)





(2WD)

If the caster and steering axis inclination are not within the specified values, after the camber has been correctly adjusted, recheck the suspension parts for damaged and/or worn out parts.
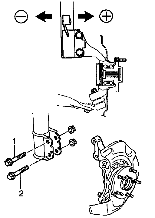
7. ADJUST CAMBER

NOTICE: After the camber has been adjusted, inspect the toe-in.

a. Remove the front wheel.





b. Remove the 2 nuts on the lower side of the shock absorber.
c. Clean the installation surfaces of the shock absorber and the steering knuckle.
d. Temporarily install the 2 nuts.





e. Adjust the camber by pushing or pulling the lower side of the shock absorber in the direction in which the camber adjustment is required.
f. Tighten the nuts.
Torque: 210 Nm (2,140 kgf-cm, 155 ft. lbs.)
g. Install the front wheel.
Torque: 103 Nm (1,050 kgf-cm, 76 ft. lbs.)





h. Check the camber.

HINT:
- Try to adjust the camber to the center of the specified value.
- Adjusting value for the set bolts is 6' - 30' (0.1° - 0.5°).

If the camber is not within the specified value, using the following table, estimate how much additional camber adjustment will be required, and select the camber adjusting bolt.

NOTICE: Tighten the adjusting bolt with a washer and a new nut.

i. Do the steps mentioned again. At step (b), replace 1 or 2 selected bolts.

HINT: When replacing the 2 bolts, replace 1 bolt for each time.