Operation CHARM: Car repair manuals for everyone.
Manuals through 2025 now available!

Our trusted friends have launched a new website named LEMON, which has newer manuals. It also contains all the CHARM manuals.

LEMON is the spiritual successor to CHARM, I recommend you try it!

Link: lemon-manuals.la or lemon-manuals.org.ua

(Some people have issue connecting. LEMON is investigating. For now, use Firefox or change your DNS server)

Or, hide this message: temporarily or permanently

Cylinder Head Torque and Sequence

Cylinder Head

Tightening Torque
First Pass 54 Nm
Second Pass 90 Degrees
Hexagon Bolt 19 Nm

Sequence

RH Cylinder Head




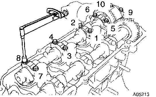
Removal




Installation

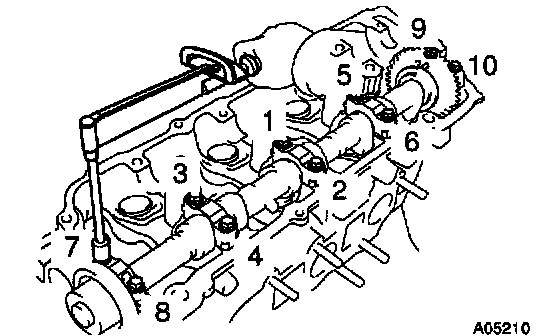
LH Cylinder Head




Removal




Installation

Maximum Warpage
Cylinder Block Side 0.05 mm
Intake Manifold Side 0.10 mm
Exhaust Manifold Side 0.10 mm

Cylinder Head Bolt Diameter
Standard 8.95-9.05 mm
Maximum 8.75 mm

Intake Manifold
Torque 15 Nm

Camshaft Bearing Cap
Torque 16 Nm

Sequence

RH Cylinder Head







Removal







Installation

LH Cylinder Head







Removal







Installation

Camshaft Sprockets
Torque 125 Nm