Operation CHARM: Car repair manuals for everyone.
Manuals through 2025 now available!

Our trusted friends have launched a new website named LEMON, which has newer manuals. It also contains all the CHARM manuals.

LEMON is the spiritual successor to CHARM, I recommend you try it!

Link: lemon-manuals.la or lemon-manuals.org.ua

(Some people have issue connecting. LEMON is investigating. For now, use Firefox or change your DNS server)

Or, hide this message: temporarily or permanently

Component Locations

Front Bumper:



Rear Bumper - W/O Overfender:



Rear Bumper - W/ Overfender:



Front Door:



Rear Door:



Back Door:



Front Wiper And Washer:



Rear Wiper And Washer:



Body Outside Moulding:



Roof Drip Side Finish Moulding:



Windshield:



Quarter Window Glass:



Back Door Glass:



Sliding Roof:



Instrumental Panel (Part 1):



Instrumental Panel (Part 2):



Instrumental Panel (Part 3):



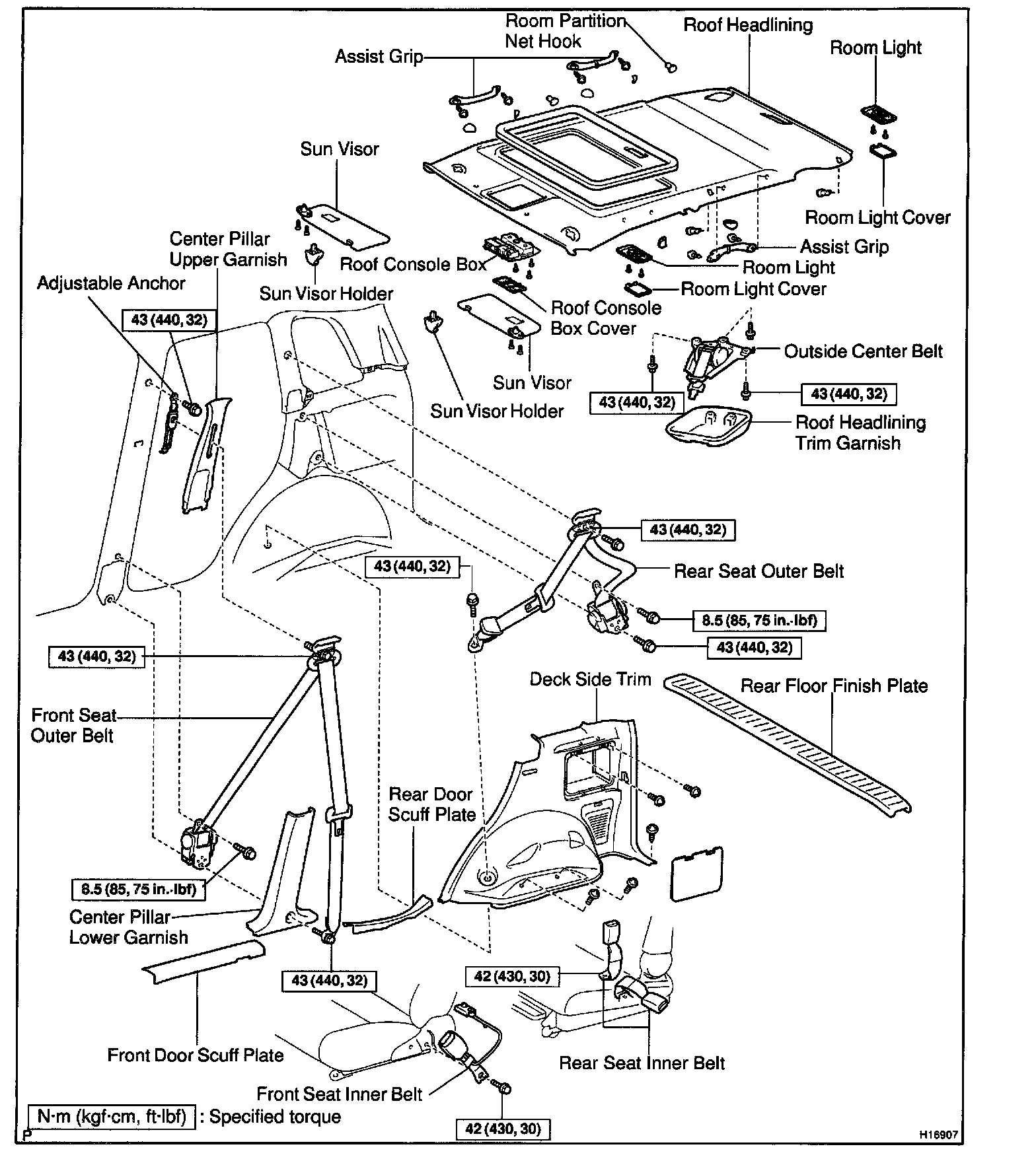
Roof Headlining:



Front Seat:



Rear Seat:



Seat Belt: