Operation CHARM: Car repair manuals for everyone.
Manuals through 2025 now available!

Our trusted friends have launched a new website named LEMON, which has newer manuals. It also contains all the CHARM manuals.

LEMON is the spiritual successor to CHARM, I recommend you try it!

Link: lemon-manuals.la or lemon-manuals.org.ua

(Some people have issue connecting. LEMON is investigating. For now, use Firefox or change your DNS server)

Or, hide this message: temporarily or permanently

Part 1

REASSEMBLY

NOTICE:
- The automatic transaxle is composed of highly precision-finished parts, necessitating careful inspection before reassembly because even a small nick could cause fluid leakage or affect the performance. The instructions here are organized so that you work on only one component group at a time. This will help avoid confusion from similar-looking parts of different sub-assemblies being on your workbench at the same time. The component groups are inspected and repaired from the converter housing side. As much as possible, complete the inspection, repair and reassembly before proceeding to the next component group. If a defect is found in a certain component group during reassembly, inspect and repair this group immediately. If a component group cannot be assembled because parts are being ordered, be sure to keep all parts of the group in a separate container while proceeding with disassembly, inspection, repair and reassembly of other component groups.
Recommended ATF: TYPE T-IV
- All disassembled parts should be washed clean and any fluid passages and holes should be blown through with compressed air.
- Dry all parts with compressed air-never use shop rags.
- When using compressed air, always aim away from yourself to prevent accidentally spraying ATF or kerosene on your face.
- The recommended automatic transaxle fluid or kerosene should be used for cleaning.
- After cleaning, the parts should be arranged in the correct order for efficient inspection, repairs, and reassembly.
- When disassembling a valve body, be sure to match each valve together with the corresponding spring.
- New discs for the brakes and clutches that are to be used for replacement must be soaked in ATF for at least 15 minutes before reassembly.
- All oil seal rings, clutch discs, clutch plates, rotating parts, and sliding surfaces should be coated with ATF prior to reassembly.
- All gaskets and rubber O-rings should be replaced.
- Do not apply adhesive cements to gaskets and similar parts.
- Make sure that the ends of a snap ring are not aligned with one of the cutouts and are installed in the groove correctly.
- If a worn bushing is to be replaced, the subassembly containing the bushing must also be replaced.
- Check thrust bearings and races for wear or damage. Replace if necessary.
- Use petroleum jelly to keep parts in place.
- When working with FIPG material, you must observe the following.
Using a razor blade and a gasket scraper, remove all the old packing (FIPG) material from the gasket surface.
Thoroughly clean all components to remove all the loose material.
Clean both sealing surfaces with a non-residue solvent.
Parts must be reassembled within 10 minutes of application. Otherwise, the packing (FIPG) material must be removed and reapplied.

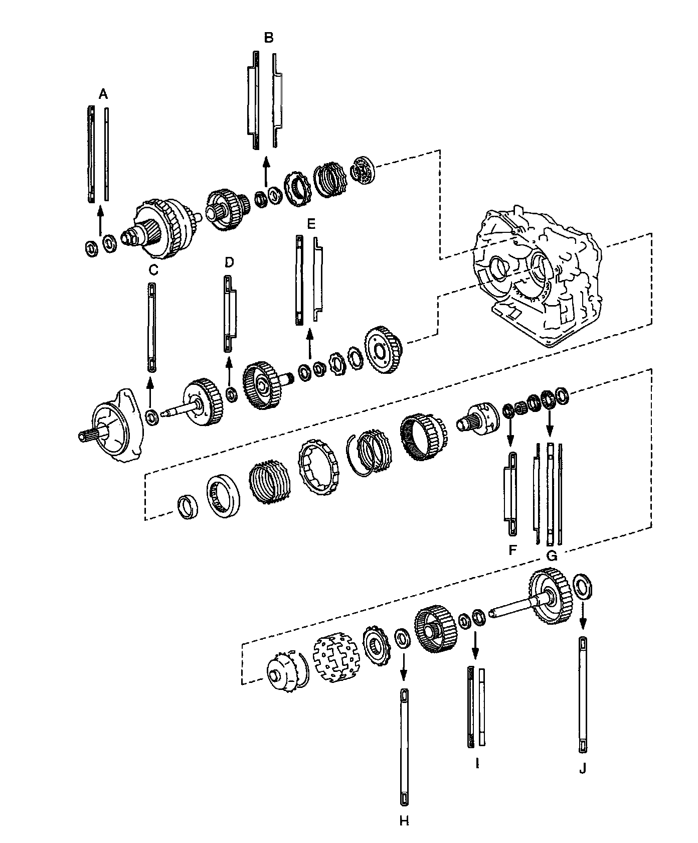
BEARING AND RACES INSTALLATION POSITION AND DIRECTION





Part 1 of 2





Part 2 of 2





1. INSTALL APPLY PIPE
Install the apply pipe, and clamp with the bolt to the transaxle case.
Torque: 9.8 Nm (100 kgf-cm, 7 ft. lbs.)

NOTICE: Make sure to insert the pipe to the stopper.

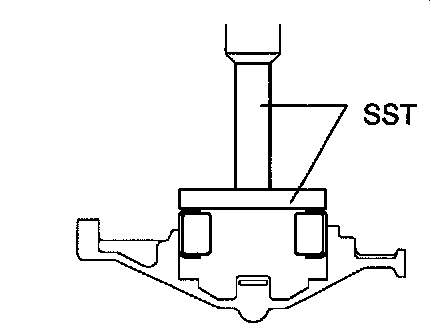
2. INSTALL U/D CYLINDRICAL ROLLER BEARING





a. Install the oil seal ring to the transaxle housing.





b. Using SST and a press, install the U/D cylindrical roller bearing.
SST 09950-60020, (09951-00810), 09950-70010, (09951-07100)

NOTICE: Do not apply excessive pressure to it.





3. CHECK U/D BRAKE PISTON RETURN SPRING
Using vernier calipers, measure the free length of the spring together with the spring seat.
Standard free length: 14.04 mm (0.5528 inch)
4. INSTALL U/D BRAKE





a. Install the 2 oil seal rings to the transaxle case.





b. Wind a vinyl tape around SST at the place 4.0 mm (0.1 57 inch) above from the bottom end until the thickness of the wound tape is about 5.0 mm (0.197 inch).
SST 09550-60010 (09951-00320)

NOTICE: Clean SST to remove deposited oil, before winding a vinyl tape.





c. Using SST and a press, install the needle roller bearing to the transaxle case.
SST 09950-60010, (09951-00320), 09950-70010 (09951-07100)

NOTICE: When the wound vinyl tape contacts the transaxle case, stop press-fitting.





d. Coat 2 new O-rings with ATF, install them to the U/D brake piston.





e. Install the U/D brake piston to the transaxle case.





f. Using SST, a snap ring expander and a press, install the piston return spring and snap ring to the transaxle case.
SST 09387-00020

NOTICE:
- Press-fit the bearing race RH until it contacts the snap ring.
- Do not apply excessive pressure to it.

5. INSTALL COUNTER DRIVE GEAR





a. Using a screwdriver, install the snap ring to the transaxle case.





b. Using SST and a press, install the 2 bearing outer races to the transaxle case.
SST 09950-60020 (09951-00890), 09950-70010 (09951-07150)

NOTICE:
- Press-fit the bearing race until it contacts the snap ring.
- Do not apply excessive pressure to it.





c. Using SST and a press, install the tapered roller bearing to the counter drive gear.
SST 09649-17010

NOTICE:
- Press-fit the bearing inner race until it contacts the counter drive gear.
- Do not apply excessive pressure to it.





d. Using SST and a press, install the counter drive gear and bearing to the transaxle case.
SST 09950-60010 (09951-00890), 09950-70010 (09951-07150)

NOTICE: Do not apply excessive pressure to it.





6. CHECK 1ST & REVERSE BRAKE PISTON RETURN SPRING
Using vernier calipers, measure the free length of the spring together with the spring seat.
Standard free length: 15.51 mm (0.6106 inch)
7. INSTALL 1ST & REVERSE BRAKE PISTON





a. Coat 2 new O-rings with ATF.
b. Install the 2 O-rings to the 1st & reverse brake piston.





c. Coat a 1st & reverse brake piston with ATF, install the 1st & reverse brake piston to the transaxle case.





d. Using SST, a press, and snap ring pliers, install the piston return spring and snap ring to the transaxle case.
SST 09387-00070

NOTICE:
- Stop the press when the spring sheet is lowered to the place 1 - 2 mm (0.039 - 0.078 inch) from the snap ring groove, preventing the spring sheet from deforming.
- Do not expand the snap ring excessively.

8. INSTALL FRONT PLANETARY GEAR ASSEMBLY





a. Using a screwdriver, install the front planetary ring gear and snap ring to the brake hub.
b. Install the front planetary gear to the brake hub.





c. Using SST, a press and press-fit the front planetary gear.
SST 09950-00010 (09951-00400)

NOTICE: Do not apply excessive pressure to it.





d. Install the washer, as shown in the illustration.





e. Using SST, install the nut.
SST 09387-00030, 09387-00080
Torque: 280 Nm (2855 kgf-cm, 207 ft. lbs.)





f. Using SST and a torque wrench, measure the starting torque of the bearing. When the measured value is not within the specified value, gradually tighten the nut until it reaches the specified value.
SST 09387-00080
Starting torque: 0.5 - 1.0 Nm (5.1 - 10.0 kgf-cm, 4.4 - 8.7 inch lbs.)





g. Install the 2 bearings, 2 races and front planetary sun gear to the front planetary gear.





Bearing and race diameter: mm (inch)

9. INSTALL REAR PLANETARY GEAR





a. Coat a bearing race with ATF, install it to the rear planetary gear assembly.





Bearings race diameter: mm (inch)





b. Install the thrust washer No. 2.





c. Install the rear planetary gear from the rear planetary ring gear.





d. Using a screwdriver, install the snap ring.





10. INSPECT DISC AND FLANGE OF 1ST & REVERSE BRAKE
Check to see if the sliding surface of the disc, plate and flange are worn or burnt. If necessary, replace them.

HINT:
- If the lining of the disc is peeling off or discolored, or even if a part of the printed mark is defaced, replace all discs.
- Before assembling new discs, soak them in ATF for at least 15 minutes.

11. INSTALL 1ST & REVERSE BRAKE





a. Install the 5 plates and 5 discs.





b. Using vernier calipers, measure the distance between the disc surface and the contact surface of the 2nd brake cylinder and transaxle case.(Dimension A)
c. Select an appropriate flange so that the piston stroke will meet the specified value.
Piston stroke: 1.02 - 1.21 mm (0.0402 - 0.0476 inch)

HINT: Piston stroke = Dimension A - Flange thickness





Flange thickness: mm (inch)





d. Install the flange.
12. INSTALL 2ND BRAKE CYLINDER ASSEMBLY, ONE-WAY CLUTCH NO. 1 AND REAR PLANETARY SUN GEAR ASSEMBLY





a. Install the 2nd brake cylinder assembly to the transaxle case.
b. Install the snap ring and measure the inside diameter.
Inside diameter: More than 167 mm (6.57 inch)

NOTICE:
- Because the taper snap ring has the positioning direction, check it when installing.
- When the diameter does not satisfy the specified value, replace the snap ring with new one.





c. Install the one-way clutch outer sleeve to the 2nd brake cylinder assembly.

NOTICE: Check the positioning direction of the outer sleeve.





d. Install the inner race to the one-way clutch.

NOTICE: Check the direction of the inner race.





e. Check the rotating direction of one-way clutch for the lock or free operation, as shown in illustration.





f. Install the one-way clutch No. 1 and bearing to the one-way clutch outer race sleeve.





Bearing diameter: mm (inch)

NOTICE: Install the thrust bearing properly so that the black race will be risible.





g. Coat the thrust washer No. 1 with petroleum jelly install it onto the rear planetary sun gear.





h. Coat the bearing with petroleum jelly and install it onto the rear planetary sun gear.





Bearing diameter: mm (inch)





i. Install the rear planetary sun gear assembly to the rear planetary gear.





13. INSPECT DISC AND FLANGE OF 2ND BRAKE
Check to see if the sliding surface of the disc, plate and flange are worn or burnt. If necessary, replace them.

HINT:
- If the lining of the disc is peeling off or discolored, or even if a part of the printed mark is defaced, replace all discs.
- Before assembling new discs, soak them in ATF for at least 15 minutes.

14. INSTALL 2ND BRAKE





a. In stall the 3 discs and 3 plates to the transaxle case.
b. Temporarily install the snap ring.





c. Using vernier calipers, measure the distance between the disk surface and snap ring surface.
d. Select an appropriate flange so that the piston stroke will meet the specified value.
Piston stroke: 0.62 - 0.91 mm (0.0244 - 0.0358 inch)

HINT: Piston stroke = Clearance - Flange thickness - Snap ring thickness 1.6 mm (0.063 inch).





Flange thickness: mm (inch)





e. Temporarily remove the snap ring, attach the selected flange and restore the snap ring.

NOTICE: Secure the snap ring so that its end gap is visible through the groove of the transaxle case.

15. INSTALL DIRECT CLUTCH ASSEMBLY





a. Install the bearing race to the direct clutch.





Bearing race diameter: mm (inch)





b. Install direct clutch assembly and thrust bearing to the rear planetary sun gear assembly.

NOTICE: The disk in the direct clutch should completely mate with the hub attached outside the rear planetary sun gear. Otherwise, the rear cover can not be installed.





c. Clean the connected part of the transaxle case and rear cover.
d. As shown in the illustration, place a straight edge on the direct clutch drum and measure the distance between the transaxle case and the straight edge using vernier calipers. (Dimension B)





e. Measure the 2 places of the rear cover as shown in the illustration and calculate a dimension C using the following formula.

HINT: Dimension C = Dimension (1) - Dimension (2)

f. Calculate the end play value using the following formula. Select a thrust bearing which satisfies the end play value and install it.
End play: 0.198 - 0.936 mm (0.00800 - 0.03685 inch)

NOTICE: Make sure that the black race side is facing the rear cover.

HINT: End play = Dimension C- Dimension B





Bearing thickness and diameter: (mm inch)





16. INSTALL 2 NEW APPLY GASKETS
17. INSTALL APPLY PIPE





a. Install the clamp to the apply pipe.

NOTICE: Make sure to install the clamp to the apply pipe before installing the apply pipe to the transaxle case. This prevents the apply pipe from being deformed or damaged.





b. Install the 2 apply pipe and a bolt to the transaxle case.
Torque: 5.4 Nm (55 kgf-cm, 48 inch lbs.)

NOTICE: Each pipe is securely inserted until it reaches the stopper.

18. INSTALL TRANSAXLE REAR COVER





a. Using SST and a press, install the bearing.
SST 09950 60010 (09951-00230, 09951-00350)
Press fit depth: 12.05 - 12.75 mm (0.4744 - 0.5020 inch)

NOTICE:
- Face the inscribed mark side of the bearing race up.
- Repeat the press fit until the specified value is obtained.

b. Apply liquid sealer to the 2 screws.
Sealant: Part No. 08833-00080, THREE BOND 1344, LOCTITE 242 or equivalent.
c. Install the transaxle rear cover plate with the 2 screws.
Torque: 7.5 Nm (76 kgf-cm, 66 inch lbs.)





d. Coat 2 oil seal rings with ATF, install them to the transaxle rear cover.





e. Remove any packing material and be careful not to get oil on the contacting surfaces of the transaxle rear cover or the transaxle case.
f. Apply FIPG to the rear cover.
FIPG: Part No. 08826-00090, THREE BOND 1281 or equivalent.
g. Coat a needle roller bearing with ATF.





h. Apply liquid sealer to the "A" bolt threads.
Sealant: Part No. 08833-00080, THREE BOND 1344, LOCTITE 242 or equivalent.
i. Install the 11 bolts.
Torque:
Bolt A: 18.6 Nm (190 kgf-cm, 14 ft. lbs.)
Other bolt: 24.5 Nm (250 kgf-cm, 18 ft. lbs.)





19. INSPECT DISC AND FLANGE OF U/D BRAKE
Check to see if the sliding surface of the disc, plate and flange are worn or burnt. if necessary, replace them.

HINT:
- If the lining of the disc is peeling off or discolored, or even if a part of the printed mark is defaced, replace all discs.
- Before assembling new discs, soak them in ATF for at least 15 minutes.