Operation CHARM: Car repair manuals for everyone.
Manuals through 2025 now available!

Our trusted friends have launched a new website named LEMON, which has newer manuals. It also contains all the CHARM manuals.

LEMON is the spiritual successor to CHARM, I recommend you try it!

Link: lemon-manuals.la or lemon-manuals.org.ua

(Some people have issue connecting. LEMON is investigating. For now, use Firefox or change your DNS server)

Or, hide this message: temporarily or permanently

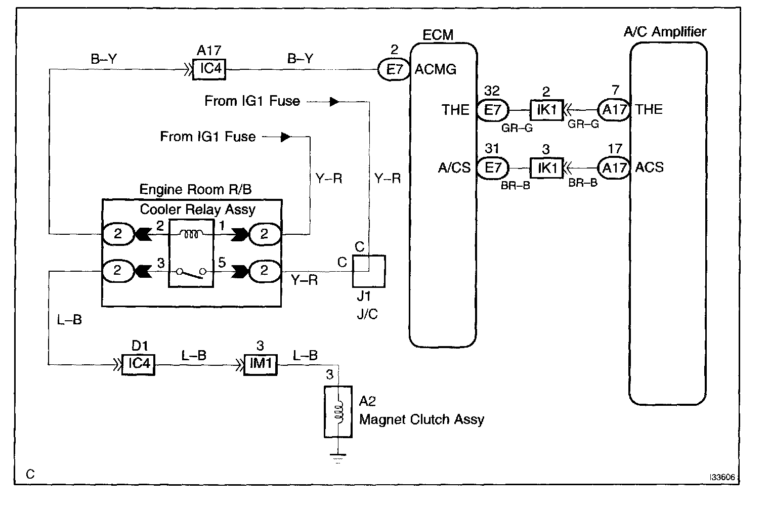
A/C Compressor Circuit

CIRCUIT DESCRIPTION

This is a driving circuit of the A/C magnetic clutch and controlled by the ECU terminal as shown below.
- ACS of the the A/C amplifier: Output the A/C switch condition "ON" or "OFF".
- THE of the A/C amplifier: Output the request signal to drive the magnetic clutch and send it to ECM. ACMG of ECM: Operates the cooler relay assy and drive the magnetic clutch.

Wiring Diagram:






Step 1 - 3:




Step 4 - 5:




Step 6 - 7:




Step 8 - 9:




INSPECTION PROCEDURE