Operation CHARM: Car repair manuals for everyone.
Manuals through 2025 now available!

Our trusted friends have launched a new website named LEMON, which has newer manuals. It also contains all the CHARM manuals.

LEMON is the spiritual successor to CHARM, I recommend you try it!

Link: lemon-manuals.la or lemon-manuals.org.ua

(Some people have issue connecting. LEMON is investigating. For now, use Firefox or change your DNS server)

Or, hide this message: temporarily or permanently

Starting System: Testing and Inspection

STARTING SYSTEM (1GR-FE)

INSPECTION

1. INSPECT STARTER ASSY

NOTICE: These tests must be done within 3 to 5 seconds to avoid burning out the coil.




a. Do pull-in test.
1. Disconnect the field coil lead wire from terminal C.
2. Connect the battery to the magnetic switch as shown. Check that the clutch pinion gear protrudes.




b. Do holding test.
1. Disconnect the negative (-) lead from the terminal C with the above condition (a) is being sustained. Check that the pinion gear remains protruded.




c. Inspect clutch pinion gear return.
1. Disconnect the negative (-) lead from the switch body. Check that the clutch pinion gear returns inward.




d. Perform the operation test without load.
1. Connect the field coil lead wire to terminal C.

Torque:
1.6 kw 10 Nm (102 kgf.cm, 89 ft.lbf)
2.0 kw 5.9 N m (60 kgf.cm, 52 in.lbf)

2. Hold the starter with a vise.
3. Connect the battery and ammeter to the starter as shown.
4. Check that the ammeter indicates the specified current.

Specified current:
1.6 kw 90 A or less at 11.5 V
2.0 kw 100 A or less at 11.5 V

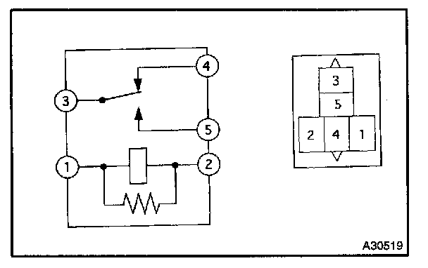
2. INSPECT STARTER RELAY ASSY




a. Continuity inspection.




1. Using an ohmmeter, check for continuity between each terminal.

2. Using an ohmmeter, check for continuity between terminals 3 and 5 when the voltage is applied across terminals 1 and 2.

Specified condition: Continuity

3. INSPECT ACC RELAY




a. Continuity inspection.




1. Using an ohmmeter, check for continuity between each terminal.

2. Using an ohmmeter, check for continuity between terminals 3 and 5 when the between voltage is applied across terminals 1 and 2.

Specified condition: Continuity