Operation CHARM: Car repair manuals for everyone.
Manuals through 2025 now available!

Our trusted friends have launched a new website named LEMON, which has newer manuals. It also contains all the CHARM manuals.

LEMON is the spiritual successor to CHARM, I recommend you try it!

Link: lemon-manuals.la or lemon-manuals.org.ua

(Some people have issue connecting. LEMON is investigating. For now, use Firefox or change your DNS server)

Or, hide this message: temporarily or permanently

Ignition System: Testing and Inspection


NOTE: "Cold" and "Hot" in these sentences express the temperature of the coils themselves. "Cold" is from -10 °C (14 °F) to 50 °C (122 °F) and "Hot" is from 50 °C (122 °F) to 100 °C (212 °F).

1. INSPECT IGNITER AND SPARK TEST
Check that the spark occurs.
1. Remove the ignition coil.
2. Remove the spark plug.
3. Install the spark plug to the ignition coil, and connect the ignition coil connector.
4. Ground the spark plug.
5. Check if spark occurs while engine is being cranked.

NOTE: To prevent excess fuel being injected from the injectors during this test, do not crank the engine for more 5 -10 seconds at a time.

If the spark does not occur, do the test as follows:
















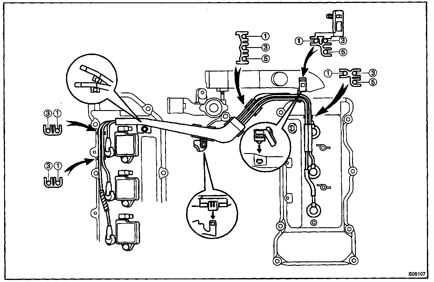
2. INSPECT HIGH-TENSION CORDS
a. Remove the V-bank cover.
b. Disconnect the high-tension cords from the spark plugs.
1. Using needle-nose pliers, disconnect the cord clamp from the engine wire protector.







2. Disconnect the high-tension cords from the spark plugs.

NOTE: Pulling on or bending the cords may damage the conductor inside.

3. Disconnect the high-tension cords from the clamp.







c. Disconnect the high-tension cords from the ignition coils.
1. Using a screwdriver, lift up the lock claw and disconnect the holder from the ignition coils.
2. Disconnect the high-tension cord at the grommet.

NOTE: Pulling on or bending the cords may damage the conductor inside.
Do not wipe any of the oil from the grommet after the high-tension cord is disconnected.







d. Remove the high-tension cords set.
1. Disconnect the clamp from the emission control valve set.
2. Remove the high-tension cords set in indicated direction.







e. Using an ohmmeter, measure the resistance.

Maximum resistance: 25 kOhm per cord

If the resistance is greater than maximum, check the terminals.

If necessary, replace the high-tension cord.







f. Install the high-tension cords set.







g. Connect the high-tension cords to the ignition coils.
1. Assemble the holder and grommet.
2. Align the spline of the ignition coil with the spline of the holder, and push in the cord.

NOTE: Check that the holder is correctly installed to the grommet and ignition coil as shown in the illustration.







3. Check that the lock claw of the holder is engaged by lightly pulling the holder.

h. Connect the high-tension cords to the spark plugs.
i. Install the V-bank cover.

3. INSPECT SPARK PLUGS

NOTE: Never use a wire brush for cleaning.
Never attempt to adjust the electrode gap on a used spark plug.
Spark plugs should be replaced every 100,000 km (60,000 miles).

a. Remove the high-tension cords set. (See step 2)
b. Remove the ignition coils.







c. Inspect the electrode.
Using a megger (insulation resistance meter), measure the insulation resistance.

Standard correct insulation resistance: 10 MOhm or more

If the resistance is less than specified, proceed to step (e).

HINT: If a megger is not available, the following simple method of inspection provides fairly accurate results.







d. Simple Method:
1. Quickly race the engine to 4,000 rpm 5 times.
2. Remove the spark plug. (See step (e))
3. Visually check the spark plug.

If the electrode is dry ... OK
If the electrode is wet... Proceed to step (f)

4. Install the spark plug. (See step (i))







e. Using a 16 mm plug wrench, remove the 6 spark plugs from the RH and LH cylinder heads.







f. Check the spark plug for thread damage and insulator damage.


03 SOLARA 3.0L (1MZ-FE):






If abnormal, replace the spark plug.







g. Inspect the electrode gaps.

Maximum electrode gap for used spark plug: 1.3 mm (0.051 in.)

If the gap is greater than maximum, replace the spark plug.

Correct electrode gap for new spark plug: 1.1 mm (0.043 in.)

NOTE: If adjusting the gap of a new spark plug, bend only the base of the ground electrode. Do not touch the tip. Never attempt to adjust the gap on the used plug.







h. Clean the spark plugs.

If the electrode has traces of wet carbon, allow it to dry and then clean with a spark plug cleaner.

Air pressure: Below 588 kPa (6 kgf/sq.cm, 85 psi)

Duration: 20 seconds or less

HINT: If there are traces of oil, remove it with gasoline before using the spark plug cleaner.

i. Using a 16 mm plug wrench, install the 6 spark plugs to the RH and LH cylinder heads.

Torque: 18 N.m (180 kgf.cm, 13 ft.lbf)

j. Install the ignition coils.
k. Install the high-tension cords set. (See step 2)

4. INSPECT IGNITION COILS
a. Disconnect the high-tension cords from the ignition coils.
b. Disconnect the ignition coil connectors.







c. Using an ohmmeter, measure the primary coil resistance between the positive (+) and negative (-) terminals.







If the resistance is not as specified, replace the ignition coil.







d. Using an ohmmeter, measure the secondary coil resistance between the positive (+) and high-tension terminal.







If the resistance is not as specified, replace the ignition coil.

e. Connect the ignition coil connectors.
f. Connect the high-tension cords to the ignition coils.







5. INSPECT CAMSHAFT POSITION SENSOR
a. Disconnect the camshaft position sensor connector.
b. Using an ohmmeter, measure the resistance between terminals.


CAMSHAFT POSITION SENSOR:






If the resistance is not as specified, replace the camshaft position sensor.

c. Connect the camshaft position sensor connector.