Operation CHARM: Car repair manuals for everyone.
Manuals through 2025 now available!

Our trusted friends have launched a new website named LEMON, which has newer manuals. It also contains all the CHARM manuals.

LEMON is the spiritual successor to CHARM, I recommend you try it!

Link: lemon-manuals.la or lemon-manuals.org.ua

(Some people have issue connecting. LEMON is investigating. For now, use Firefox or change your DNS server)

Or, hide this message: temporarily or permanently

System Specifications

Cylinder head set bolt Length
Standard 146.8 - 148.2 mm (5.780 - 5.835 inch)
Maximum 148.5 mm (5.846 inch)

Cylinder head warpage
Cylinder block side 0.05 mm (0.0020 inch)
Intake manifold side 0.10 mm (0.0039 inch)
Exhaust manifold side 0.10 mm (0.0039 inch)

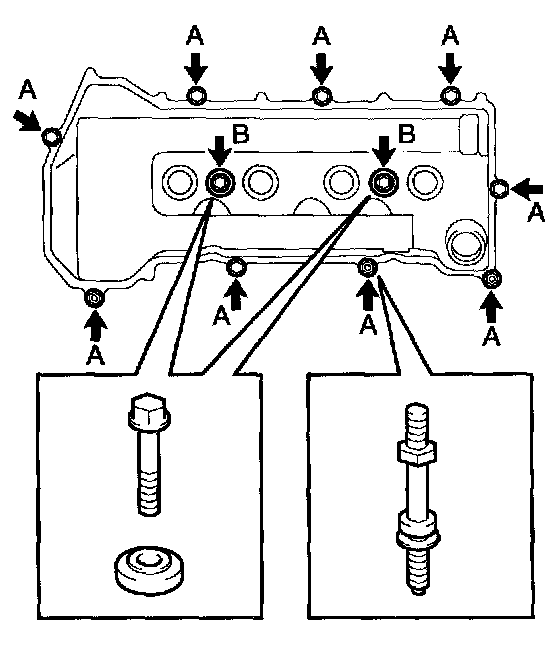
Cylinder head cover No.2 x Cylinder head cover sub-assy 7.0 Nm (71 kgf-cm, 62 inch lbs.)





Cylinder head cover sub-assy x Cylinder head sub-assy
A 11 Nm (112 kgf-cm, 8 ft. lbs.)
B 9.0 Nm (92 kgf-cm, 80 inch lbs.)

Cylinder head cover sub-assy x Timing chain or belt cover sub-assy 11 Nm (112 kgf-cm, 8 ft. lbs.)





Cylinder head sub-assy x Cylinder block sub-assy
1st 49 Nm (500 kgf-cm, 36 ft. lbs.)
2nd Turn 90°





Cylinder head sub-assy x Stud bolt
A, D and E 9.5 Nm (97 kgf-cm, 84 inch lbs.)
B and C 5.0 Nm (51 kgf-cm, 44 inch lbs.)
W/ Head taper screw plug No.2 x Cylinder head sub-assy 44 Nm (449 kgf-cm, 33 ft. lbs.)

INTAKE MANIFOLD
Intake manifold x Cylinder head sub-assy 30 Nm (306 kgf-cm, 22 ft. lbs.)

EXHAUST MANIFOLD
Torque 37 Nm (377 kgf-cm, 27 ft. lbs.)