Operation CHARM: Car repair manuals for everyone.
Manuals through 2025 now available!

Our trusted friends have launched a new website named LEMON, which has newer manuals. It also contains all the CHARM manuals.

LEMON is the spiritual successor to CHARM, I recommend you try it!

Link: lemon-manuals.la or lemon-manuals.org.ua

(Some people have issue connecting. LEMON is investigating. For now, use Firefox or change your DNS server)

Or, hide this message: temporarily or permanently

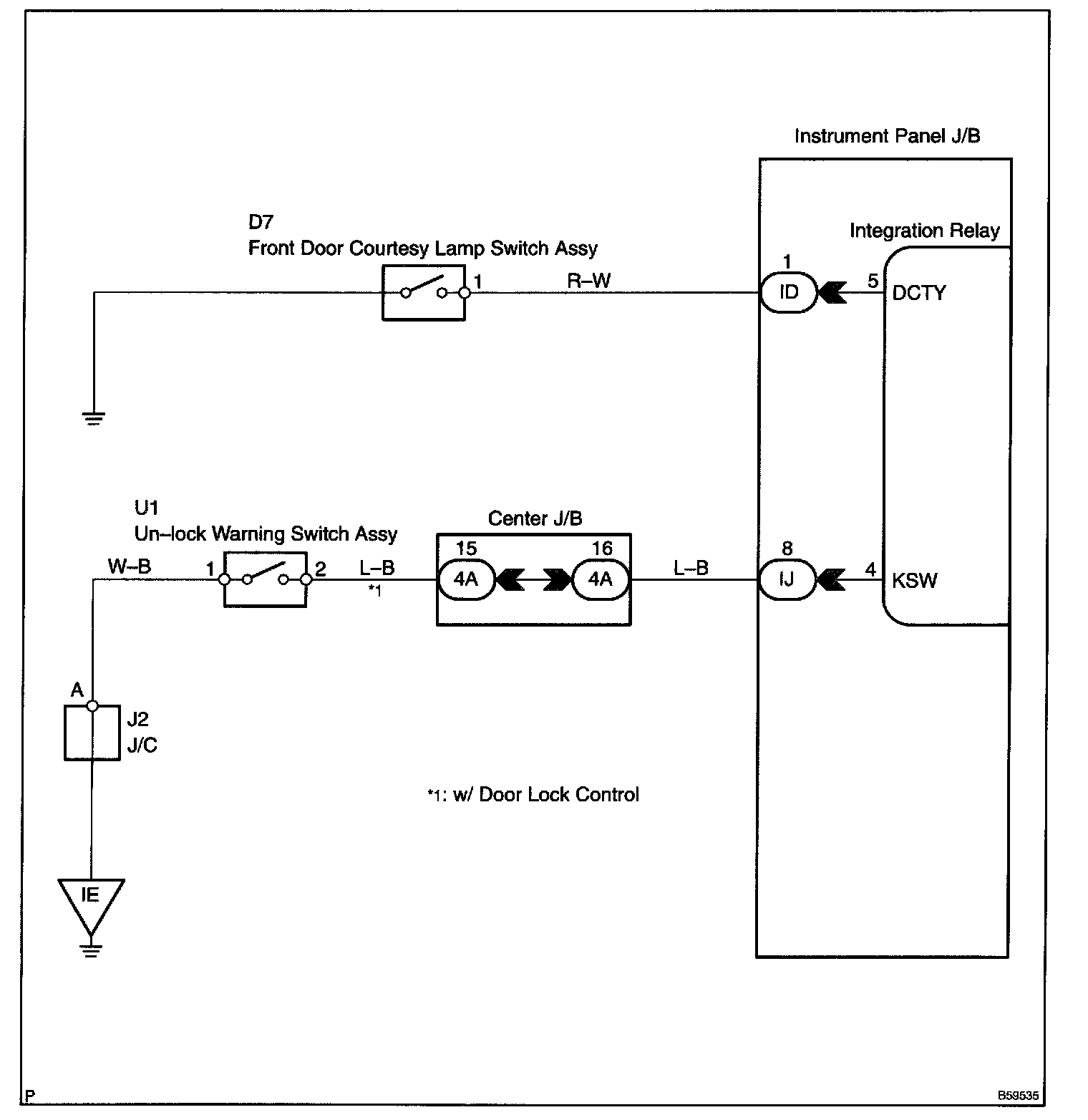
Key Confinement Prevention Function Does Not Work Properly

KEY CONFINEMENT PREVENTION FUNCTION DOES NOT WORK PROPERLY (UNLOCK WARNING SWITCH CIRCUIT)

CIRCUIT DESCRIPTION

The unlock warning switch turns on when the key is inserted in the ignition key cylinder and the door courtesy switch turns on when the driver's door is opened, and the integration relay monitors both switches conditions. According to these switches conditions, the integration relay controls the door locking operation not to lock the doors while both switches are on, in order to prevent the key from being confined.

Wiring Diagram:






Step 1 - 2:




Step 3 - 4:




INSPECTION PROCEDURE