Operation CHARM: Car repair manuals for everyone.
Manuals through 2025 now available!

Our trusted friends have launched a new website named LEMON, which has newer manuals. It also contains all the CHARM manuals.

LEMON is the spiritual successor to CHARM, I recommend you try it!

Link: lemon-manuals.la or lemon-manuals.org.ua

(Some people have issue connecting. LEMON is investigating. For now, use Firefox or change your DNS server)

Or, hide this message: temporarily or permanently

Part 1

OVERHAUL





1. REMOVE OIL FILLER CAP SUB-ASSY
a. Remove the oil filler cap from the cylinder head cover.





2. REMOVE OIL FILLER CAP GASKET
a. Using a screwdriver, remove the gasket from the oil filler cap.





3. REMOVE VENTILATION VALVE SUB-ASSY
a. Remove the ventilation valve from the cylinder head cover.





4. REMOVE SPARK PLUG
a. Using a spark plug wrench, remove the spark plugs.





5. REMOVE CYLINDER HEAD COVER SUB-ASSY
a. Remove the 9 bolts, 2 seal washers, 2 nuts and cylinder head cover.





6. REMOVE CYLINDER HEAD COVER GASKET
a. Remove the gasket from the cylinder head cover.





7. REMOVE TRANSVERSE ENGINE ENGINE MOUNTING BRACKET
a. Remove the 3 bolts and transverse engine engine mounting bracket.





8. REMOVE WATER PUMP ASSY
a. Remove the 6 bolts and water pump.





9. REMOVE WATER PUMP O-RING
a. Remove an O-ring from the timing chain cover.
10. REMOVE CRANKSHAFT PULLEY





a. Set No. 1 cylinder to TDC/compression.
1 Turn the crankshaft pulley, and align its groove with timing mark "0" of the timing chain cover.
2 Check that the point marks of the camshaft timing gears are in straight line on the timing chain cover surface as shown in the illustration.

HINT: If not, turn the crankshaft 1 revolution (360°) and align the marks.





b. Using SST, remove the crankshaft pulley bolt.
SST 09960-10010 (09962-01000, 09963-01000)
c. Remove the crankshaft pulley from the crankshaft.





11. REMOVE CHAIN TENSIONER ASSY NO.1
a. Remove the 2 nuts and chain tensioner.
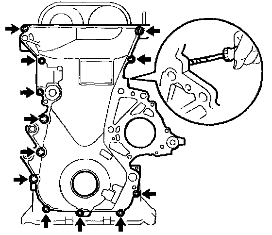
12. REMOVE TIMING CHAIN OR BELT COVER SUB-ASSY





a. Remove the 11 bolts and nut.
b. Remove the timing chain cover by prying the portions between the timing chain cover and cylinder head and cylinder block with a screwdriver.

NOTICE: Be careful not to damage the contact surfaces of the timing chain cover, cylinder head and cylinder block.





c. Using a torx socket wrench E5, remove the 3 stud bolts.





13. REMOVE TIMING GEAR COVER OIL SEAL
a. Place the timing chain cover on wooden blocks.
b. Using a screwdriver, remove the oil seal.





14. REMOVE CRANKSHAFT POSITION SENSOR PLATE NO.1
a. Remove the crankshaft position sensor plate from the crankshaft.





15. REMOVE CHAIN TENSIONER SLIPPER
a. Remove the bolt and chain tensioner slipper.





16. REMOVE CHAIN SUB-ASSY
a. Using the 2 screwdrivers, pry out the chain with the crankshaft timing gear as shown in the illustration.

NOTICE:
- Put shop rag to protect the engine.
- In case of revolving the camshafts with the chain off the gears, turn the crankshaft 1/4 revolution for valves not to touch the pistons.





17. REMOVE CHAIN VIBRATION DAMPER NO.1
a. Remove the 2 bolts and chain vibration damper.





18. REMOVE OIL PUMP ASSY
a. Remove the 5 bolts and oil pump.





19. REMOVE OIL PUMP GASKET
a. Remove the gasket from the cylinder block.





20. REMOVE CAMSHAFT TIMING OIL CONTROL VALVE ASSY
a. Remove the bolt and camshaft timing oil control valve.





21. REMOVE OIL CONTROL VALVE FILTER
a. Remove the bolt with gasket and oil control valve filter.
b. Remove the gasket and oil control valve filter from the bolt.





22. REMOVE CAMSHAFT
a. Uniformly loosen and remove the 19 bolts, in several passes, in the sequence shown, and remove the 9 bearing caps.
b. Remove the 2 camshafts from the cylinder head.





23. REMOVE CAMSHAFT TIMING GEAR OR SPROCKET
a. Grip the camshaft with a vice, and remove the bolt and camshaft timing gear.

NOTICE: Be careful not to damage the camshaft.

24. INSPECT CAMSHAFT TIMING GEAR ASSY
a. Check the lock of camshaft timing gear.
1 Grip the camshaft with a vice, and confirm the camshaft timing gear is locked.

NOTICE: Be careful not to damage the camshaft.

b. Release lock pin.





1 Cover 4 oil paths of cam journal with vinyl tape as shown in the illustration.

HINT: Two advance side paths are provided in the groove of the camshaft. Plug one of the path with a rubber piece.

2 Break through the tapes of the advance side path and the retard side path on the opposite side of the groove.





3 Put air pressure into two broken paths (the advance side path and the retard side path) with about 150 kPa (1.5 kgf/cm2).

CAUTION: Cover the paths with shop rag to avoid oil splashing.





4 Confirm if the camshaft timing gear assembly revolves in the timing advance direction when weakening the air pressure of the timing retard path.

HINT: The lock pin is released, and camshaft timing gear, revolves in the advance direction.

5 When the camshaft timing gear comes to the most advanced position, take out the air pressure of the timing retard side path, and then, take out that of timing advance side path.

CAUTION: Camshaft timing assembly gear occasionally shifts to the retard side abruptly, if the air compression of the advanced side path is released before retard side path. It often causes the breakage of the lock pin.

c. Check smooth revolution
1 Revolve the camshaft timing gear assembly within the movable range except for the most retarded position several times, and check the smooth revolution.

CAUTION: Be sure to perform this check by hand, instead of air pressure.

d. Check the lock in the most retarded position.
1 Confirm that the camshaft timing gear assembly is locked at the most retarded position.
25. REMOVE CAMSHAFT TIMING GEAR ASSY





a. Grip the camshaft with a vice, and confirm that the gear is locked.

CAUTION: Be careful not to damage the camshaft.

b. Cover 4 oil paths of cam journal with vinyl tape as shown in the illustration.

HINT: Two advance side paths are provided in the groove of the camshaft. Plug one of the path with a rubber piece.

c. Break through the tapes of the advance side path and the retard side path on the opposite side of the groove.





d. Put air pressure into two broken paths (the advance side path and the retard side path) with about 150 kPa (1.5 kgf/cm2).

CAUTION: Cover the paths with shop rag to avoid oil splashing.





e. Confirm if the camshaft timing gear assembly revolves in the timing advance direction when weakening the air pressure of the timing retard path.

HINT: The lock pin is released, and camshaft timing gear revolves in the advance direction.

f. When the camshaft timing gear comes to the most advanced position, take out the air pressure of the timing retard side path, and then, takeout that of timing advance side path.

CAUTION: Camshaft timing gear assembly occasionally shifts to the retard side abruptly, if the air compression of the advanced side path is released before retard side paths. It often causes the breakage of the lock pin.





g. Remove the fringe bolt and camshaft timing gear.

NOTICE:
- Be sure not to remove the other 4 bolts.
- In case of reusing the camshaft timing gear, release the strait pin locking first, and then install the gear.

26. REMOVE CYLINDER HEAD SUB-ASSY





a. Using a bi-hexagon wrench 10, uniformly loosen and remove the 10 cylinder head bolts, in several passes, in the sequence shown, and remove the 10 cylinder head bolts and 10 plate washers.

NOTICE:
- Be careful not to drop plate washers into the cylinder head.
- Head warpage or cracking could result from removing bolts in an incorrect order.





b. Remove the cylinder head from the cylinder block.





27. REMOVE CYLINDER HEAD GASKET
a. Remove the cylinder head gasket from the cylinder block.





28. REMOVE OIL FILTER SUB-ASSY
a. Using SST, remove the oil filter.
SST 09228-06501





29. REMOVE OIL FILTER UNION
a. Using a socket hexagon wrench 12, remove the oil filter union.





30. REMOVE ENGINE REAR OIL SEAL
a. Using a knife, cut off the oil seal lip.
b. Using a screwdriver with its tip taped, pry out the oil seal.

NOTICE: After the removal, check if the crankshaft is not damaged. If there is, mend it with a sandpaper (#400).





31. REMOVE OIL PAN DRAIN PLUG
a. Remove the oil pan drain plug and gasket from the oil pan.
32. REMOVE OIL PAN SUB-ASSY





a. Remove the 14 bolts and 2 nuts.





b. Insert the blade of SST between the bearing cap and oil pan, and cut off applied sealer and remove the oil pan.
SST 09032-00100

NOTICE: Be careful not to damage the oil pan contact surface of the bearing cap and the oil pan.





33. REMOVE OIL STRAINER SUB-ASSY
a. Remove the bolt, 2 nuts and oil strainer.





34. REMOVE OIL STRAINER FLANGE GASKET
a. Remove the gasket from the bearing cap.





35. INSPECT CHAIN TENSIONER ASSY NO.1
a. Check that the plunger moves smoothly when the ratchet pawl is raised with your finger.
b. Release the ratchet pawl and check that the plunger is locked in place by the ratchet pawl and does not move when pushed with your finger.