Operation CHARM: Car repair manuals for everyone.
Manuals through 2025 now available!

Our trusted friends have launched a new website named LEMON, which has newer manuals. It also contains all the CHARM manuals.

LEMON is the spiritual successor to CHARM, I recommend you try it!

Link: lemon-manuals.la or lemon-manuals.org.ua

(Some people have issue connecting. LEMON is investigating. For now, use Firefox or change your DNS server)

Or, hide this message: temporarily or permanently

Component Inspection

INSPECTION

1. THERMISTOR, COOLER




a. Check resistance between terminals 1 and 2 of cooler thermistor No.1 at each temperature, as shown in the chart.




Resistance:

If resistance value is not as specified, replace the sensor.

2. AIR CONDITIONING CONTROL ASSY







a. Inspect blower switch continuity.
If continuity is not as specified, replace the air conditioner control assy.

b. Inspect illumination operation.
Connect the positive (+) lead from the battery to terminal 2 and negative (-) lead to terminal 3 then check that the illuminations light up.
If there is bulb not light up, replace the bulb.

3. COMBINATION SWITCH ASSY







a. Inspect switch continuity.
Check the continuity between terminals while switch is pressed, as shown in the chart.
If continuity is not as specified, replace the cooler switch.

b. Inspect illumination operation.
Connect the positive (+) lead from the battery to terminal 4 and negative (-) lead to terminal 3 then check that the illuminations light up.
If operation is not as specified, replace the cooler switch.

c. Inspect indicator operation.
1. Connect the positive (+) lead from the battery to terminal 2 and the negative (-) lead to terminal 1.
2. Push the A/C button in and then check that the indicator lights up.
If operation is not as specified, replace the cooler switch.

d. Inspect dimming operation
1. Connect the positive (+) lead from the battery to terminal 2 and the negative (-) lead to terminal 1 while press the switch.
2. Connect the positive (+) lead from battery to terminal 4 and then check that the indicator dims.
If operation is not as specified, replace the cooler switch.







4. BLOWER RESISTOR
a. Measure resistance between terminals, as shown in the chart.
If resistance is not as specified, replace the blower resistor.




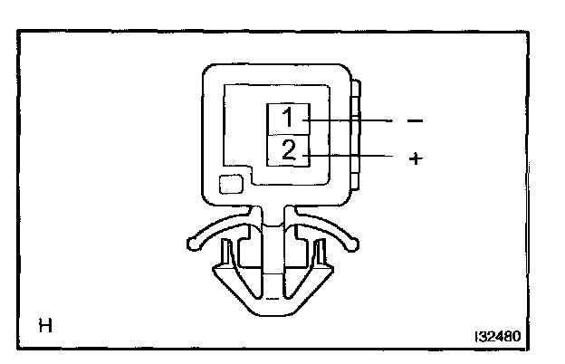
5. BLOWER W/FAN MOTOR SUB-ASSY
a. Connect the positive (+) lead from the battery to terminal 2 and negative (-) to terminal 1, then check that the motor operation smoothly.
If operation is not as specified, replace the blower motor.







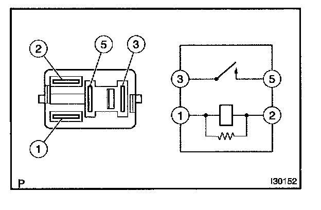
6. HEATER BLOWER MOTOR RELAY ASSY
If continuity is not as specified, replace the heater blower motor relay.







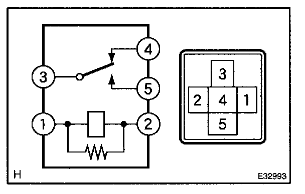
7. MAGNET-CLUTCH RELAY
If continuity is not as specified, replace the magnet-clutch relay.