Manuals through 2025 now available!
Our trusted friends have launched a new website named LEMON, which has newer manuals. It also contains all the CHARM manuals.
LEMON is the spiritual successor to CHARM, I recommend you try it!
Link:
lemon-manuals.la or
lemon-manuals.org.ua
(Some people have issue connecting. LEMON is investigating. For now, use Firefox or change your DNS server)
Or, hide this message:
temporarily or
permanently
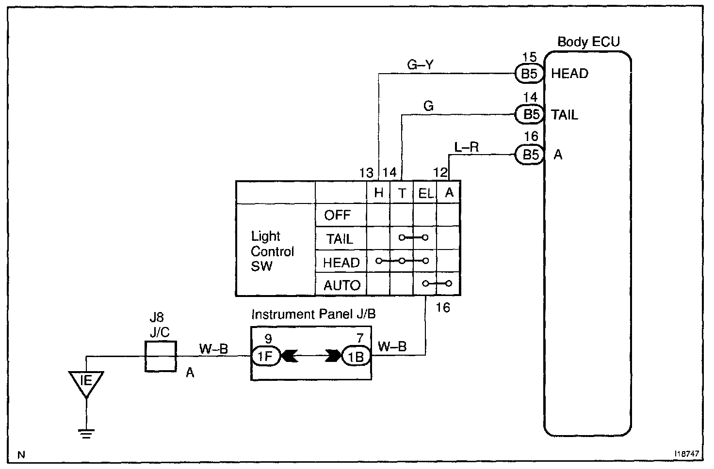
Light Control Switch Circuit
Wiring Diagram:
Step 1 - 3:
INSPECTION PROCEDUREHINT: In case of using the TOYOTA hand-held tester, start the inspection from step 1 and in case of not using the TOYOTA hand-held tester. start from step 2.