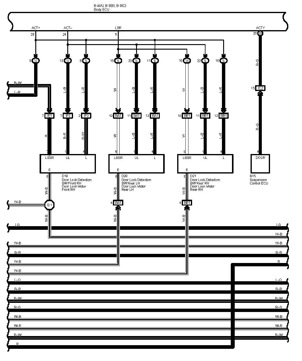
Multiplex Communication System Part 14
Multiplex Communication System Part 14:
Diagram Legend Part 1:
Diagram Legend Part 2:
Diagram Legend Part 3:
Next Diagram Multiplex Communication System Part 15
Previous Diagram Multiplex Communication System Part 13
Locations: The locations of components, connectors referred to within these diagrams can be found at Vehicle Locations. Locations
Connector Views: The connector views of connectors referred to within these diagrams can be found at Connector Views. Connector Views