Operation CHARM: Car repair manuals for everyone.
Manuals through 2025 now available!

Our trusted friends have launched a new website named LEMON, which has newer manuals. It also contains all the CHARM manuals.

LEMON is the spiritual successor to CHARM, I recommend you try it!

Link: lemon-manuals.la or lemon-manuals.org.ua

(Some people have issue connecting. LEMON is investigating. For now, use Firefox or change your DNS server)

Or, hide this message: temporarily or permanently

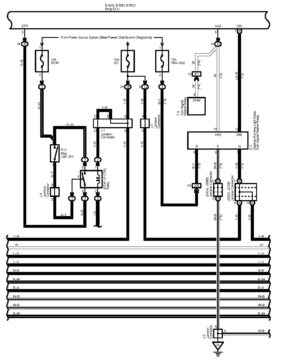
Multiplex Communication System Part 7

Multiplex Communication System Part 7:




Diagram Legend Part 1:




Diagram Legend Part 2:




Diagram Legend Part 3:






Next Diagram Multiplex Communication System Part 8

Previous Diagram Multiplex Communication System Part 6

Locations: The locations of components, connectors referred to within these diagrams can be found at Vehicle Locations. Locations

Connector Views: The connector views of connectors referred to within these diagrams can be found at Connector Views. Connector Views