Operation CHARM: Car repair manuals for everyone.
Manuals through 2025 now available!

Our trusted friends have launched a new website named LEMON, which has newer manuals. It also contains all the CHARM manuals.

LEMON is the spiritual successor to CHARM, I recommend you try it!

Link: lemon-manuals.la or lemon-manuals.org.ua

(Some people have issue connecting. LEMON is investigating. For now, use Firefox or change your DNS server)

Or, hide this message: temporarily or permanently

Key Lock-In Prevention Function Does Not Work Properly

KEY LOCK-IN PREVENTION FUNCTION DOES NOT WORK PROPERLY (MANUAL OPERATION AND OPERATION INTERLOCKED WITH KEY ARE ACTIVE)

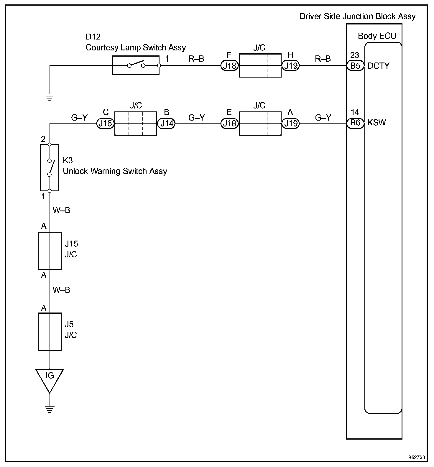
CIRCUIT DESCRIPTION
The un-lock warning switch turns ON when the key is inserted in the ignition key cylinder. The courtesy lamp switch turns ON when the driver side door is opened. These 2 switches are monitored by the body ECU. In order to prevent the key from being locked in, the body ECU controls door locking operation according to conditions of these switches, so tat doors are not locked.

Wiring Diagram:






Step 1 - 2:




Step 3 - 4:




Step 5 - 6:




INSPECTION PROCEDURE