Operation CHARM: Car repair manuals for everyone.
Manuals through 2025 now available!

Our trusted friends have launched a new website named LEMON, which has newer manuals. It also contains all the CHARM manuals.

LEMON is the spiritual successor to CHARM, I recommend you try it!

Link: lemon-manuals.la or lemon-manuals.org.ua

(Some people have issue connecting. LEMON is investigating. For now, use Firefox or change your DNS server)

Or, hide this message: temporarily or permanently

Fuse Block: Locations




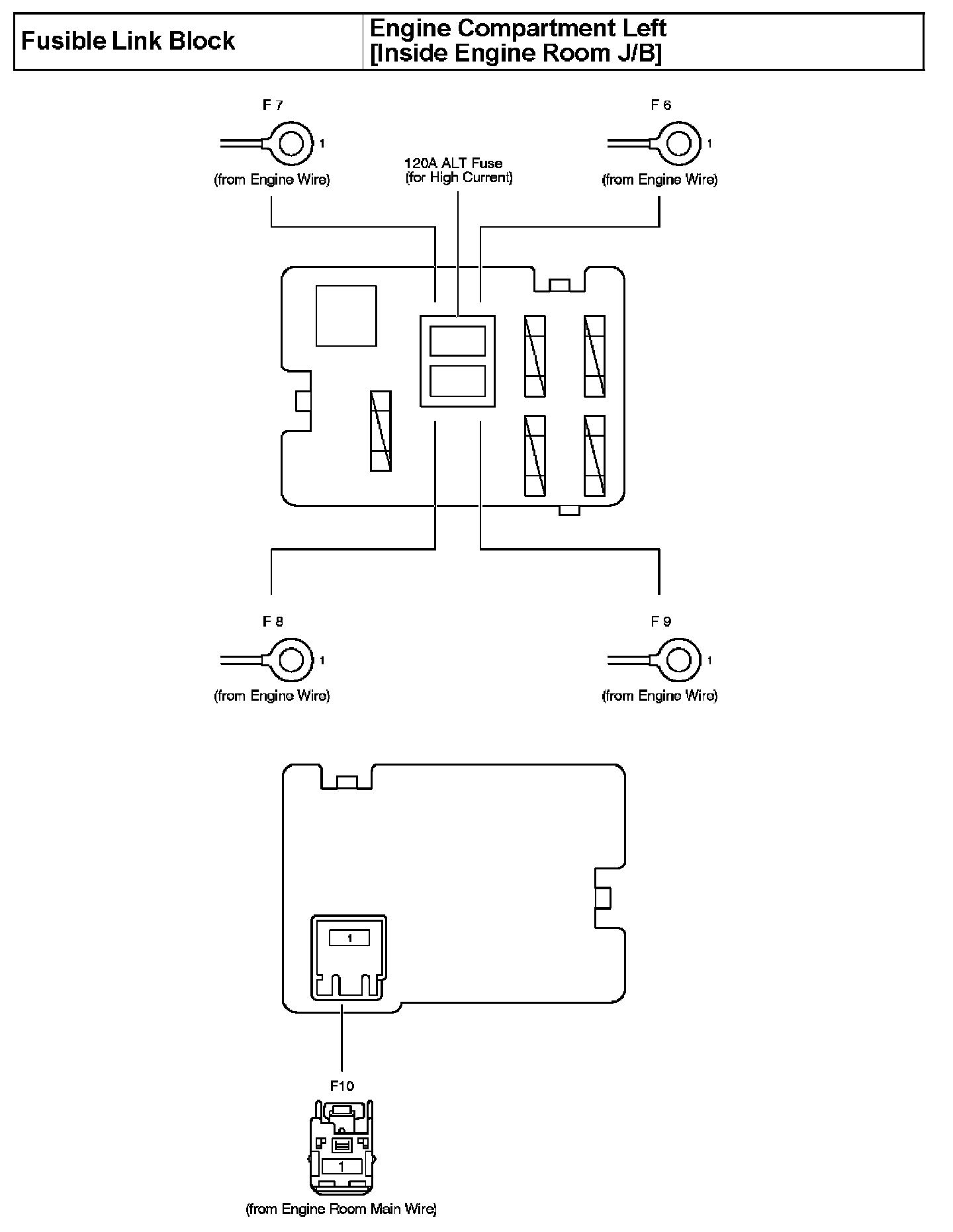
Fusible Link Block - Engine Compartment Left [Inside Engine Room J/B]:




Engine Room R/B No.2 - Engine Compartment Right:




Engine Room R/B No.3 - Near The Radiator Fan:




Engine Room R/B No.5 - Engine Compartment Left [Inside Engine Room J/B]:




Driver Side J/B - Lower Finish Panel:




Driver Side J/B - Lower Finish Panel:




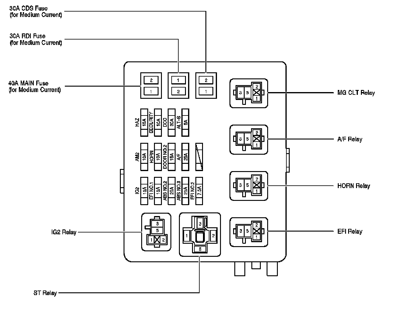
Engine Room J/B - Engine Compartment Left:




Driver Side R/B No.6 - Left Kick Panel:




Front Passenger Side R/B No.7 - Right Kick Panel:




Details



Engine Compartment:




Instrument Panel - Column Shift:




Instrument Panel - Floor Shift:











Locations