Operation CHARM: Car repair manuals for everyone.
Manuals through 2025 now available!

Our trusted friends have launched a new website named LEMON, which has newer manuals. It also contains all the CHARM manuals.

LEMON is the spiritual successor to CHARM, I recommend you try it!

Link: lemon-manuals.la or lemon-manuals.org.ua

(Some people have issue connecting. LEMON is investigating. For now, use Firefox or change your DNS server)

Or, hide this message: temporarily or permanently

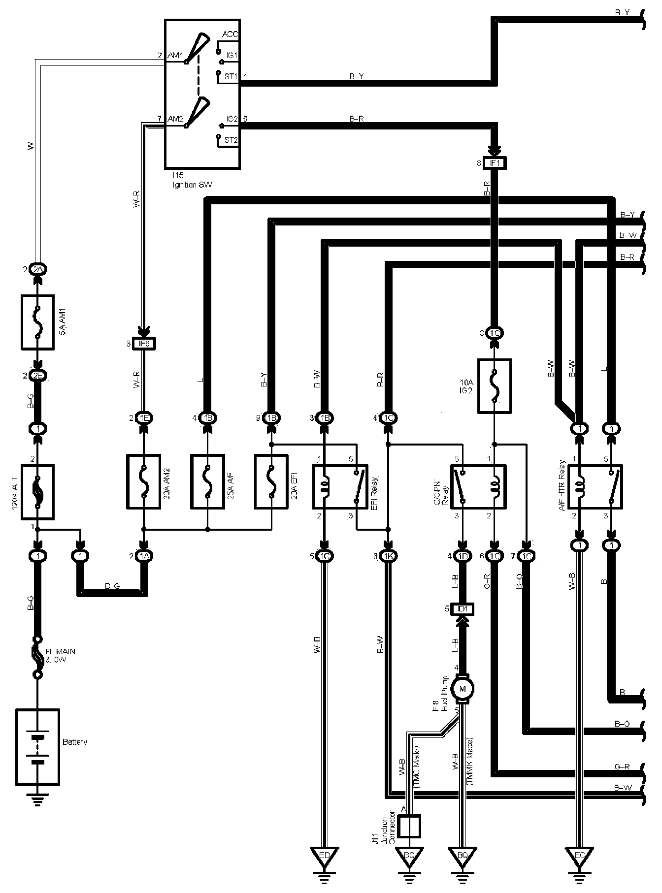
Engine Control Part 1

Engine Control Part 1:




Diagram Legend Part 1:




Diagram Legend Part 2:




Diagram Legend Part 3:






Next Diagram Engine Control Part 2


Locations: The locations of components, connectors, ground points, and splices referred to within these diagrams can be found at Vehicle Locations. Locations

Connector Views: The connector views for connectors referred to within these diagrams can be found at the Vehicle level Connector Views. Connector Views